Cód QR
Táirgí
Glaoigh orainn


Facs
+86-574-87168065

R-phost

Seoladh
Limistéar Tionscail Luotuo, Ceantar Zhenhai, Cathair Ningbo, an tSín
Déantar Cúpláil Uilíoch SWC-WF Gan Flex Flange Raydafon le haghaidh tarchur ard-chasmhóiminte in innealra trom - smaoinigh ar threalamh miotalóireacht, craenacha, córais mhianadóireachta, na socruithe diana go léir a dteastaíonn cumhacht seasta uathu. Tá dearadh flange neamh-solúbtha aige, trastomhais gyration ó 160mm go 640mm, agus láimhseálann an cúplála cineál flange seo mí-ailínithe móra uilleacha móide luasanna rothlacha leanúnacha gan aon fhadhb, fiú agus iad ag obair i gcoinníollacha an-éilimh. Bainimid úsáid as cruach ard-neart 35CrMo chun é a thógáil, agus mar sin seasann sé go foirfe le hualaí dian - go díreach is rogha iontach é do chúpláin uilíocha le haghaidh innealra trom agus cúpláin uilíocha neamh-flex le haghaidh feidhmeanna tionsclaíocha. Cinntíonn déantúsaíocht bheachtais Raydafon go seachadann sé feidhmíocht dhaingean gach uair, go háirithe do thionscail nach féidir leo comhréiteach a dhéanamh ar sheachadadh comhsheasmhach chasmhóiminte.
Tógtar an cúpláil uilíoch SWC-WF seo le maireachtáil, le nasc flange docht a éascaíonn an tsuiteáil i gcórais cosúil le tiomántáin longthógála agus muilte rollta - áiteanna nach bhfuil mórán gluaiseachta aiseach ann. Leanann muid caighdeáin ISO 9001 go docht, agus úsáideann ár monarcha tSín-bhunaithe meaisínithe chun cinn móide seiceálacha cáilíochta daingean chun an cúpláil uilíoch flange seo a dhéanamh. Tagann sé i méideanna inoiriúnaithe, le rátálacha chasmhóiminte suas le 1250 kN·m, mar sin luíonn sé isteach i gcúpláin uilíocha saincheaptha do threalamh miotalóireachta agus socruithe tromshaothair eile. Cuireann Raydafon réitigh shaincheaptha ar fáil freisin ar phraghsanna iomaíocha, a chuidíonn le laghdú a dhéanamh ar aga neamhfhónaimh agus le hiontaofacht do threalamh a threisiú.
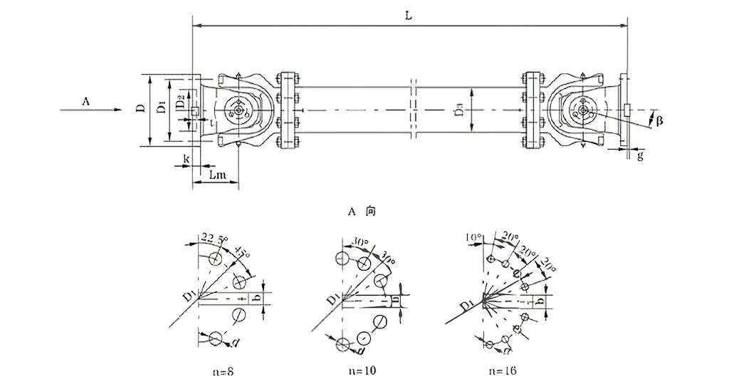
| Níl. | Trastomhas giration D mm | Casmhóiminte ainmniúil Tn KN·m | Uillinn fillte aiseanna β (°) | Casmhóiminte tuirseach Tf KN·m | Méid (mm) | Táimhe rothlach kg.m2 | Meáchan (kg) | |||||||||||
| Lmin | D1 (js11) | D2 (H7) | D3 | Lm | n-d | k | t | b (h9) | g | Lmin | Méadú 100mm | Lmin | Méadú 100mm | |||||
| SWC285WF | 285 | 90 | 45 | ≤15 | 810 | 245 | 170 | 194 | 160 | 8-21 | 27 | 7 | 40 | 15 | 2.664 | 0.051 | 220 | 6.3 |
| SWC315WF | 315 | 125 | 63 | 915 | 280 | 185 | 219 | 180 | 10-23 | 32 | 8 | 40 | 15 | 4.469 | 0.0795 | 300 | 8.0 | |
| SWC350WF | 350 | 180 | 90 | 980 | 310 | 210 | 267 | 194 | 10-23 | 35 | 8 | 50 | 16 | 7.388 | 0.2219 | 412 | 15.0 | |
| SWC390WF | 390 | 250 | 125 | 1100 | 345 | 235 | 267 | 215 | 10-25 | 40 | 8 | 70 | 18 | 13.184 | 0.2219 | 588 | 15.0 | |
| SWC440WF | 440 | 355 | 180 | 1290 | 390 | 255 | 325 | 260 | 16-28 | 42 | 10 | 80 | 20 | 23.250 | 0.4744 | 880 | 21.7 | |
| SWC490WF | 490 | 500 | 250 | 1360 | 435 | 275 | 325 | 270 | 16-31 | 47 | 12 | 90 | 22.5 | 40.750 | 0.4744 | 1173 | 21.7 | |
| SWC550WF | 550 | 710 | 355 | 1510 | 492 | 320 | 426 | 305 | 16-31 | 50 | 12 | 100 | 22.5 | 68.480 | 1.3570 | 1663 | 34.0 | |
| SWC620WF | 620 | 1000 | 500 | 1690 | 555 | 380 | 426 | 340 | 10-38 | 55 | 12 | 100 | 25 | 127.530 | 1.3570 | 2332 | 34.0 | |
* 1. Tf-faoin ualach malartach an chasmhóiminte a cheadaíonn de réir an neart tuirse.
* 2. Fad L-shuiteáil, atá de réir an cheanglais.
Oibríonn cúpláil comhpháirteach uilíoch SWC-WF Raydafon gan cineál flange flex - ar a dtugtar freisin cúpláil comhpháirteach uilíoch seafta cardan SWC - ar bhunsmaoineamh meicniúil: faigheann sé chasmhóimint ó dhá sheafta neamh-chóilín go dtí an áit a gcaithfidh sé dul, agus láimhseálann sé mí-ailíniú freisin. Úsáideann an comhchúpláil uilíoch ard-chasmhóiminte seo socrú tras-iompartha chun na flanges a nascadh ar an dá cheann, mar sin fiú nuair a dhéantar na seaftaí a fhritháireamh suas le 25 céim nó má tá diallais aiseach / gathacha acu, bogann sé cumhacht rothlach go réidh fós.
Is é an comhdhearadh uilíoch atá mar chroílár an chaoi a n-oibríonn sé - tá trasseafta ann a fheidhmíonn mar mhaighdeog, a ligeann do gach feanán bogadh leis féin. Ar an mbealach sin, téann an chasmhóimint ón seafta tiomána go dtí an seafta tiomáinte go héifeachtach, agus déanann sé suas le haghaidh mí-ailínithe uilleacha gan an iomarca strus a chur ar na codanna a bhfuil sé ceangailte leo. Má theastaíonn uait comhchúpláil uilíoch iontaofa tromshaothair le haghaidh oibríochtaí muileann rollta, coimeádann struchtúr docht, neamh-solúbtha flange an duine seo rudaí cobhsaí, atá foirfe do naisc ghearr-achair i socruithe dlúth innealra trom.
Is é an rud a sheasann dá fheidhm ná nach bhfuil páirteanna solúbtha nó gnéithe leathnaithe aige - leagann sé seo amach ó chineálacha eile é agus déanann sé iontach é d'áiteanna nach bhfuil ach gluaiseacht aiseach íosta iontu. Leanann an cúpláil seafta comhpháirteach buan SWC uilíoch a úsáidimid i dtrealamh ardaithe agus láimhseála ábhar ar an bprionsabal seo chun fanacht cothrom fiú faoi ualaí móra; buaileann sé éifeachtúlachtaí tarchuir suas le 98.6% agus ní chuireann sé amú mórán fuinnimh. Laghdaíonn an comhchúpláil uilíoch tionsclaíoch seo freisin ar chreathadh a bhuíochas do ghluaiseacht imthacaí beacht, mar sin ritheann sé go réidh fiú i gcásanna ard-strus - díreach cosúil leis na córais cúplála comhpháirteacha innealra troma a d'fheicfeá i bpoist thionsclaíocha chrua.
Ina theannta sin, tá flanges táthaithe ag comhchúpláil comhpháirteach uilíoch tromshaothair SWC Raydafon chun é a dhéanamh níos daingne - ní mó a bheith buartha faoi boltaí a bheith scaoilte, agus neartaíonn sé an neart iomlán 30% go 50%. Mar chomhchúpláil éifeachtach uilíoch do tharchur mórchumhachta, láimhseálann sé tóirsí ainmniúla ó 0.15 go 1000 kN·m agus tá trastomhais céimithe aige ó φ58 go φ620 – rud a fhágann go bhfuil sé ina rogha iontach do réitigh chomhchúplála uilíocha coigilte fuinnimh agus tarchur tionsclaíoch á éileamh. Agus an torann á choinneáil idir 30-40 dB(A), ritheann an comhchúpláil uilíoch íseal-torainn seo ciúin, atá oiriúnach do spotaí tionsclaíocha ina bhfuil torann ina ábhar imní, fad is a choinnítear ardchaighdeáin iontaofachta suas.
Ní cuid rialta amháin é cúpláil comhpháirteach uilíoch SWC Raydafon - ar a dtugtar go minic cúpláil comhpháirteach uilíoch seafta cardan SWC -; tá sé riachtanach le haghaidh socruithe tionsclaíochta tromshaothair, cosúil le muilte rollta, innealra ardaithe, agus gach cineál córais diana innealra trom. Mar chomhchúpláil uilíoch ard-chasmhóiminte, déanann sé jab láidir ag nascadh dhá sheafta tarchurtha nach bhfuil ag teacht go foirfe, ag cinntiú go leanann an chumhacht ag sileadh fiú nuair a bhíonn na coinníollacha oibre garbh.
Labhraímis faoi na príomhshonraí atá aige: tá an trastomhas gyration sa raon ó φ58 go φ620, téann an chasmhóimint ainmniúil ó 0.15 go 1000 kN·m, agus níl uillinn fillte an ais níos mó ná 25 °.
Tá an táirge seo ag taitneamh i gcásanna sonracha – cosúil le cásanna nuair a bhíonn comhchúpláil uilíoch iontaofa tromshaothair ag teastáil uait le haghaidh oibríochtaí muileann rollta, nó cúpláil marthanach comhpháirteach seafta uilíoch SWC i dtrealamh ardaithe agus láimhseála ábhair. Sna cásanna seo, is fiú é trí oibríochtaí a choinneáil cobhsaí, fiú nuair a bhíonn sé ag déileáil le hualaí troma.
Ní hamháin go bhfuil comhchúpláil uilíoch SWC Raydafon tógtha le haghaidh feidhme - déantar é a innealtóireacht le dearadh cliste chun fanacht in úsáid thionsclaíoch agus leanúint ar aghaidh ag feidhmiú go maith san fhadtéarma. Déanaimis briseadh síos ar cad a fhágann go seasann a struchtúr amach.
Ar an gcéad dul síos, tá cumraíocht réasúnta sábháilte aige: d'úsáideamar dearadh ceann forc comhtháite don chomhchúpláil uilíoch tionsclaíoch seo, rud a laghdaíonn rioscaí cosúil le boltaí a bheith ag scaoilte nó ag briseadh. Treisíonn sé sin amháin a sláine struchtúrach 30%-50%, agus mar sin oibríonn sé go sábháilte agus go hiontaofa. I gcomparáid le cúpláin rialta, maireann sé níos faide agus seachnaíonn sé cliseadh coitianta i spotaí ard-strus - cosúil leis na córais cúplála comhpháirteacha innealra troma a fheiceann tú i bpoist chrua.
Ansin tá a chumas ualachiompartha feabhsaithe: déantar an comhchúpláil uilíoch tromshaothair SWC seo chun meáchain mhóra a láimhseáil, agus mar sin tá sé riachtanach in áiteanna a dteastaíonn bainistíocht ualaigh den scoth uathu, amhail innealra mianadóireachta nó tógála.
Soláthraíonn sé ardéifeachtúlacht tarchuir freisin - ag bualadh suas le 98.6%. Mar chúpláil comhpháirteach éifeachtach uilíoch le haghaidh tarchur cumhachta mór, laghdaítear úsáid fuinnimh agus na costais a bhaineann leis. Sin an fáth go bhfuil sé ina rogha iontach do réitigh chomhchúplála uilíoch coigilte fuinnimh i socruithe tarchurtha tionsclaíochta ardchumhachta.
Agus ritheann sé go réidh le torann íseal: coinníonn sé tarchur seasta, agus de ghnáth fanann an torann idir 30-40 dB(A). Cinntíonn an comhchúpláil uilíoch íseal-torainn seo go bhfanann na hoibríochtaí ciúin, rud atá foirfe d'áiteanna ina bhfuil torann ina fhadhb - agus ag an am céanna ag coinneáil ardleibhéal iontaofachta.
⭐⭐⭐⭐⭐ Chen Liang, Innealtóir Táirgthe, Zhejiang Machinery Co., Ltd.
Chuir muid Cúpláil Uilíoch SWC-WF Gan Flex Flange gan Raydafon ar cheann dár línte táirgeachta, agus tá sé ag obair go hiontach go dtí seo. Tá an struchtúr simplí ach diana - bhí a shuiteáil ina ghaoth, gan aon chéimeanna casta. Nuair a bheidh sé socraithe, ritheann sé go réidh, gan aon ghá le tweaks breise. Fiú nuair a bhíonn an t-ualach trom, fanann an cúpláil seo iontaofa, rud a chiallaíonn gur féidir linn na meaisíní a choinneáil ag rith uaireanta fada gan a bheith buartha ró-mhór - go cinnte tugann sé níos mó suaimhneas intinne dúinn.
⭐⭐⭐⭐⭐ Sun Mei, Maoirseoir Ceannaigh, Hebei Steel Co., Ltd.
Cheannaigh ár gcuideachta roinnt Cúpláin Uilíoch Cineál SWC-WF Gan Flex Flange ó Raydafon, agus ar dtús, bhí an seachadadh ceart in am, agus bhí an pacáistiú cúramach freisin - gan aon damáiste ar bith. Is é an rud a sheasann amach domsa ná an méid a dúirt foireann na ceardlainne: dúirt siad liom go raibh na cúpláin éasca le suiteáil, agus nuair a bhí siad á n-úsáid, mothaíonn siad i ndáiríre soladach. Plus, i gcomparáid le soláthraithe eile, tá an praghas anseo cothrom. Ar an iomlán, táimid an-sásta leis an gceannach seo.
⭐⭐⭐⭐⭐ Guo Jun, Bainisteoir Cothabhála, Liaoning Heavy Industry Group
Is é an post atá agam ná ár n-innill a choinneáil ag rith, agus déanaim iarracht am aga a laghdú oiread agus is féidir liom. Ó thosaigh muid ag úsáid SWC-WF Raydafon Gan Cúpláil Uilíoch Cineál Flex Flange, thug mé faoi deara difríocht mhór - níos lú caitheamh ar an gcuid, agus i bhfad níos lú fadhbanna le linn oibríochta. Tá an dearadh dian, agus ní gá go leor cothabhála. Sábhálann sé sin am agus airgead dúinn, agus tá sé iompaithe amach a bheith ina chuid an-iontaofa dár trealamh.
Is príomhfhochuideachta de chuid EVER-POWER Group Co., Ltd é Raydafon - ní hamháin gur soláthraí muid, ach soláthraí dul chun cinn le haghaidh comhpháirteanna tarchurtha den scoth agus réitigh tionsclaíocha, agus chuireamar go leor fócas ar tháirgí nuálacha cosúil le cúpláil uilíoch seafta cardan SWC. Ó thosaigh muid, tá muid ar fad faoi theicneolaíocht a chur chun cinn agus ag fás i margaí domhanda; níor stop muid ag díol comhpháirteanna aonair - anois déanaimid réitigh lánchórais a oireann go foirfe do riachtanais talmhaíochta agus tionsclaíochta tromshaothair. Ciallaíonn ár bhfios gnó maidir le seaftaí tiomána agus táirgí tarchurtha gur féidir le cliaint a bhfuil gá acu le comhchúpláil uilíoch iontaofa tromshaothair le haghaidh oibríochtaí muileann rollta (agus jabanna diana eile) brath orainn mar chomhpháirtí soladach.
Ag Raydafon, déanaimid raon leathan táirgí: giarbhoscaí, seaftaí tiomána, sorcóirí hiodrálacha, ulóga, agus fiú uirlisí meaisín chun cinn cosúil le deileanna CNC agus meaisíní muilleoireachta. Tógtar ár n-réitigh cúplála comhpháirteach ard-chasmhóiminte - an tsraith SWC, mar shampla - chun déileáil le héilimh dhian na dtionscal a bhfuil gá acu le cúpláil seafta uilíoch buan SWC i dtrealamh ardaithe agus láimhseála ábhair. Tá áiseanna chun cinn againn freisin: ceardlanna CNC, meaisíní meilt agus cóireála teasa, uirlisí tomhais 3D - go léir cloí le caighdeáin ISO9001 / TS16949, agus mar sin tá gach comhchúpláil tionsclaíoch uilíoch a dhéanaimid den scoth agus beacht.
Díolaimid 80% dár dtáirgí thar lear, chuig margaí mar na SA, an Ghearmáin, an tSeapáin, an Iodáil, an Mhalaeisia, an Astráil agus an Meánoirthear. Agus tá líonra láidir againn in áiteanna mar an tSín, an Chóiré Theas, an RA, Singeapór, SAM agus an Spáinn chun tacú leis sin. Ligeann an raon domhanda seo dúinn réitigh shaincheaptha a chruthú, cosúil le comhchúpláil uilíoch tromshaothair SWC - atá deartha le haghaidh córais cúplála comhpháirteacha innealra troma a bhfuil gá acu le hualaí móra a láimhseáil agus a mhaireann ar feadh i bhfad.
Is iad ár dtosaíochtaí ná nuálaíocht agus áthas a chur ar chustaiméirí. Cuirimid réitigh chomhchúplála uilíoch coigilte fuinnimh ar fáil a bhuaileann suas le 98.6% éifeachtacht tarchurtha, ag gearradh costais oibriúcháin le haghaidh socruithe ardchumhachta. Cibé an bhfuil comhchúpláil éifeachtach uilíoch ag teastáil uait le haghaidh tarchur cumhachta mór nó cúpláil comhpháirteach uilíoch íseal-torann d'áiteanna a bhfuil tábhacht ag baint leo, tagann ár gcuid táirgí le seirbhís iar-díolacháin ghairmiúil - agus táimid tiomanta do rudaí a dhéanamh i gceart. Sin an fáth gurb é Raydafon an rogha is fearr do do riachtanais tarchurtha go léir.
Seoladh
Limistéar Tionscail Luotuo, Ceantar Zhenhai, Cathair Ningbo, an tSín
Teil
R-phost


+86-574-87168065


Limistéar Tionscail Luotuo, Ceantar Zhenhai, Cathair Ningbo, an tSín
Cóipcheart © Raydafon Technology Group Co., Limited Gach ceart ar cosaint.
Links | Sitemap | RSS | XML | Beartas Príobháideachta |
