Cód QR
Táirgí
Glaoigh orainn


Facs
+86-574-87168065

R-phost

Seoladh
Limistéar Tionscail Luotuo, Ceantar Zhenhai, Cathair Ningbo, an tSín
Tá Cúpláil Uilíoch Cineál Táthú Flex Gearr SWC-DH Raydafon tógtha chun seaftaí mí-ailínithe a nascadh i bhfearas tromshaothair - smaoinigh ar mhuilte rollta, ardaitheoirí, agus meaisíní próiseála cruach. Is cúpláil uilíoch flex gearr dlúth é, le trastomhas gírthaithe a théann ó 45mm go 390mm. Fiú nuair a bhíonn na seaftaí múchta suas le 25 céim (mí-ailíniú uilleach), bogann sé an chasmhóimint go héifeachtach – uasmhéadaíonn sé ag 1000 kN·m, rud a luíonn go díreach le riachtanais chumhachta trealaimh throma.
Déanaimid é le cruach ard-neart 35CrMo agus cuirimid ceithre imthacaí snáthaidí leis, agus mar sin coinníonn sé faoi ualaí troma. Sin an fáth gur rogha láidir é do chúpláin uilíocha innealra tionscail, agus oibríonn sé go hiontach mar chúpláin uilíocha táthaithe le trealamh trom i spotaí ina bhfanann ualaí ard gan stad. Tá an dearadh gearr-flex foirfe do mheaisíní nach bhfuil mórán spáis acu le haghaidh gluaiseacht aiseach, freisin - tugann sé socrú tarchuir diana do spásanna tionsclaíochta diana.
Is monaróir atá bunaithe sa tSín é Raydafon le deimhniú ISO 9001, agus mar sin déanaimid cloí le rialacha cáilíochta dochta maidir le gach cúpláil uilíoch SWC-DH. Faigheann an tras-seafta pláta chrome chun creimeadh a chomhrac, mar sin maireann sé fiú nuair a bhíonn na coinníollacha crua. Déanann an cuing táthaithe an tsuiteáil níos éasca, freisin - díreach líne suas na shafts ceart, agus oibríonn sé ag a chuid is fearr. Gheobhaidh tú é ar threalamh i miotalóireacht, mianadóireacht, agus córais chraenacha, gan aon fhadhb.
Ina theannta sin, tagann an cúpláil seo i méideanna éagsúla agus rátálacha chasmhóiminte. Má theastaíonn cúpláil uilíoch saincheaptha uait le haghaidh innealra tionsclaíoch - abair, do bhuainteoirí nó do threalamh sonrach eile - is féidir linn é a chur in oiriúint do do chuid riachtanas, agus fanann an praghas iomaíoch. Tá an fios gnó déantúsaíochta againn chun an cúpláil flex gearr seo a laghdú ar aga neamhfhónaimh trealaimh, ionas go n-oibríonn do mheaisíní ar bhealach níos iontaofa ar an iomlán.
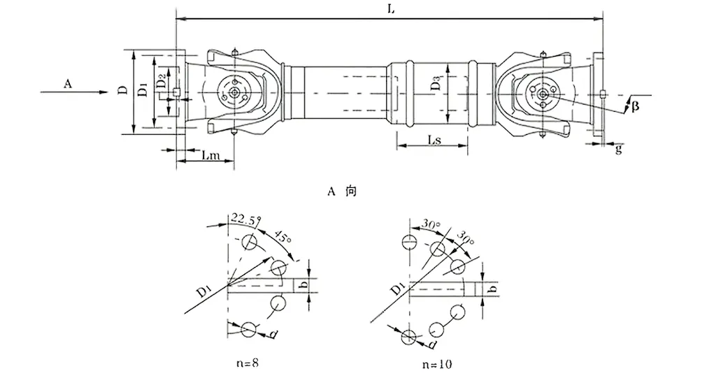
| Níl. | Trastomhas giration D mm | Casmhóiminte ainmniúil Tn KN·m | Uillinn fillte aiseanna β (°) | Casmhóiminte tuirseach Tf KN·m | Cainníocht Flex Ls mm | Méid (mm) | Táimhe rothlach kg.m2 | Meáchan (kg) | |||||||||||
| Lmin | D1 (js11) | D2 (H7) | D3 | Lm | n-d | k | t | b (h9) | g | Lmin | Méadú 100mm | Lmin | Méadú 100mm | ||||||
| SWC180DH1 | 180 | 20 | 10 | ≤25 | 75 | 650 | 155 | 105 | 114 | 110 | 8-17 | 17 | 5 | - | - | 0.165 | 0.0070 | 58 | 2.8 |
| SWC180DH2 | 55 | 600 | 0.162 | 56 | |||||||||||||||
| SWC180DH3 | 40 | 550 | 0.160 | 52 | |||||||||||||||
| SWC225DH1 | 225 | 40 | 20 | ≤15 | 85 | 710 | 196 | 135 | 152 | 120 | 20 | 5 | 32 | 9.0 | 0.415 | 0.0234 | 95 | 4.9 | |
| SWC225DH2 | 70 | 640 | 0.397 | 92 | |||||||||||||||
| SWC250DH1 | 250 | 63 | 31.5 | ≤15 | 100 | 795 | 218 | 150 | 168 | 140 | 8-19 | 25 | 6 | 40 | 12.5 | 0.900 | 0.0277 | 148 | 5.3 |
| SWC250DH2 | 70 | 735 | 0.885 | 136 | |||||||||||||||
| SWC285DH1 | 285 | 90 | 45 | ≤15 | 120 | 950 | 245 | 170 | 194 | 160 | 8-21 | 27 | 7 | 40 | 15.0 | 1.876 | 0.0510 | 229 | 6.3 |
| SWC285DH2 | 80 | 880 | 1.801 | 221 | |||||||||||||||
| SWC315DH1 | 315 | 125 | 63 | ≤15 | 130 | 1070 | 280 | 185 | 219 | 180 | 10-23 | 32 | 8 | 40 | 15.0 | 3.331 | 0.0795 | 346 | 8.0 |
| SWC315DH2 | 90 | 980 | 3.163 | 334 | |||||||||||||||
| SWC350DH1 | 350 | 180 | 90 | ≤15 | 140 | 1170 | 310 | 210 | 267 | 194 | 10-23 | 35 | 8 | 50 | 16.0 | 6.215 | 0..2219 | 508 | 15.0 |
| SWC350DH2 | 90 | 1070 | 5.824 | 485 | |||||||||||||||
| SWC390DH1 | 390 | 250 | 125 | ≤15 | 150 | 1300 | 345 | 235 | 267 | 215 | 10-25 | 40 | 8 | 70 | 18.0 | 11.125 | 0.2219 | 655 | |
| SWC390DH2 | 90 | 1200 | 10.763 | 600 | |||||||||||||||
* 1. Tf-faoin ualach malartach an chasmhóiminte a cheadaíonn de réir an neart tuirse. * 2. Lmin-an fad is lú tar éis an ghearrtha. * 3. Fad L-shuiteáil, atá de réir an cheanglais
Tá Comhchúpláil Uilíoch SWC, ar a dtugtar go minic Comhchúpláil Uilíoch SWC Cardan Shaft, ina phríomhchuid de chásanna tionsclaíocha tromshaothair. Tá sé fíor-riachtanach le haghaidh muilte rollta, innealra ardúcháin, agus córais éagsúla innealra trom ar scála mór. Mar chúpláil comhpháirteach uilíoch ard-chasmhóiminte, féadann sé dhá seafta tarchurtha a nascadh go héifeachtach le haiseanna neamh-chomhtharlaitheacha, ag cinntiú tarchur cumhachta gan bhriseadh fiú faoi choinníollacha oibre casta agus dian.
Is iad seo a leanas príomhpharaiméadair theicniúla an chúplála seo:
Trastomhas Gyration: φ58 - φ620
Casmhóiminte Ainmniúil: 0.15 - 1000 kN·m
Uillinn Fill Ais: ≤25°
In iarratais phraiticiúla, feidhmíonn sé go han-mhaith. Mar shampla, le linn oibríochtaí muileann rollta, nuair a bhíonn gá le comhchúpláil uilíoch iontaofa tromshaothair atá tiomnaithe do mhuilte rollta, nó i dtrealamh ardaithe agus láimhseála ábhair, nuair a bhíonn gá le cúpláil comhpháirteach seafta uilíoch SWC marthanach, tá an táirge seo inniúil go hiomlán. Fiú amháin faoi ualaí troma, is féidir leis cobhsaíocht oibríochta an trealaimh a chothabháil go seasta.
Tá an cúpláil comhpháirteach uilíoch SWC deartha ag baint úsáide as prionsabail innealtóireachta chun cinn, ag seachadadh feidhmíocht eisceachtúil agus saol seirbhíse níos faide i dtimpeallachtaí tionsclaíocha. Is iad seo a leanas a phríomhghnéithe struchtúracha:
Struchtúr Réasúnta agus Sábháilte: Le dearadh ceann forc comhtháite, laghdaíonn an comhchúpláil uilíoch tionsclaíoch seo an baol scaoilte nó briste boltaí, ag méadú neart struchtúrach 30% -50%. Cinntíonn an dearadh seo oibriú sábháilte agus iontaofa, leathnaíonn sé saol na seirbhíse i gcomparáid le samhlacha traidisiúnta, agus cuireann sé cosc ar theipeanna coitianta i gcásanna ardbhrú ar nós córais cúplála comhpháirteacha innealra troma.
Cumas Feabhsaithe Ualach-Iompartha: Tá comhchúpláil uilíoch tromshaothair SWC deartha go sonrach chun ualaí troma a iompar, rud a fhágann go bhfuil sé fíor-riachtanach i gcásanna a éilíonn bainistíocht ualaigh den scoth mar innealra mianadóireachta nó tógála.
Éifeachtúlacht Tarchurtha Ard: Le héifeachtúlacht suas le 98.6%, laghdaíonn an comhchúpláil éifeachtach uilíoch seo le haghaidh tarchur ardchumhachta go mór tomhaltas fuinnimh agus costais ghaolmhara, rud a fhágann gurb é an chéad rogha é maidir le réitigh cúplála comhpháirteach uilíoch coigilte fuinnimh i gcórais tarchurtha tionsclaíochta ard-chumhachta.
Oibríocht Chobhsaí le Torann Íseal: Feidhmíonn an comhchúpláil uilíoch íseal-torainn seo go cobhsaí le leibhéil torainn de ghnáth idir 30-40 dB(A), ag cinntiú feidhmíocht chiúin. Tá sé oiriúnach do thimpeallachtaí torann-íogair agus ard-iontaofacht á chothabháil.
Tá cúpláin comhpháirteacha uilíocha, go háirithe cúpláil comhpháirteach uilíoch SWC cardan seafta, tar éis éirí ina gcomhpháirteanna tarchurtha fíor-riachtanach in iarratais tionsclaíocha mar gheall ar a buntáistí gan íoc. Is féidir leo freastal ar na bunriachtanais lena bhfeidhmíocht i réimsí mar innealra trom, déantúsaíocht beachtas, agus tarchur fuinnimh. Seo thíos anailís mhionsonraithe ar a bpríomhbhuntáistí:
1. Tarchur Casmhóiminte Láidir agus Cúiteamh Mí-ailínithe den scoth
Mar chúpláil comhpháirteach uilíoch ard-chasmhóiminte, féadann sé ualaí ardchumhachta a tharchur go cobhsaí. Fiú i gcásanna ina dtarlaíonn mí-ailíniú fearsaidí go minic le linn oibríochtaí muileann rollta - mar fhritháireamh aiseach de bharr caitheamh rollta agus athruithe teochta le linn rollta cruach - is féidir leis an gcomhchúpláil iontaofa iontaofa uilíoch seo le haghaidh oibríochtaí muileann rollta é a láimhseáil gan stró. Is féidir leis cúiteamh a dhéanamh ag an am céanna ar mhí-ailínithe uilleacha, aiseacha agus gathacha, le mí-ailíniú uilleach uasta suas le 25 céim. Cuireann an inoiriúnaitheacht mhí-ailínithe den scoth seo cosc ar thranglam tarchurtha de bharr mí-ailínithe seafta, cinntíonn sé seachadadh cumhachta leanúnach agus cobhsaí, laghdaítear go mór an dóchúlacht go dtarlóidh teipeanna meicniúla faoi dhálaí foircneacha oibre, agus ráthaíonn sé oibriú leanúnach línte táirgeachta.
2. Marthanacht Ard agus Saol Seirbhíse Níos faide
Tá dearadh agus roghnú ábhar comhchúpláin uilíocha SWC dírithe ar "ualaí troma a sheasamh agus timpeallachtaí crua a sheasamh". Tá an príomhchorp déanta as cruach cóimhiotail ard-neart, in éineacht le struchtúr ceann forc comhtháite, rud a laghdaíonn go bunúsach pointí teip coitianta ar nós scaoileadh boltaí agus briseadh comhpháirteanna. Ag glacadh le cúpláil seafta comhpháirteach buan SWC buan a úsáidtear i dtrealamh ardaithe agus láimhseála ábhair mar shampla, féadann sé an t-ualach tionchair mheandarach a sheasamh nuair a thógann sé rudaí troma agus feidhmíocht chobhsaí a chothabháil i dtimpeallachtaí crua cosúil le deannach agus teocht ard. I gcomparáid le cúpláin struchtúr scoilte traidisiúnta, tá méadú 30% -50% ar neart iomlán an chúplála comhpháirteach uilíoch tionsclaíoch seo, rud a laghdaíonn ní hamháin minicíocht na cothabhála laethúil ach freisin a leathnaíonn saol na seirbhíse 2-3 bliana. Tá sé oiriúnach go háirithe do riachtanais oibríochta ard-ualach fadtéarmacha na gcóras cúplála comhpháirteach uilíoch innealra trom.
3. Éifeachtúlacht Tarchurtha Ard agus Éifeacht Shuntasach um Choigilt Fuinnimh
Tá sé léirithe ag tástálacha go bhfuil éifeachtacht tarchurtha an chúplála comhpháirteach uilíoch tromshaothair SWC chomh hard le 98.6%, a bhfuil buntáistí soiléire aige i gcásanna tarchurtha tionsclaíochta ardchumhachta - mar lucht leanúna foirnéise soinneáin i ngléasraí cruach agus córais iompair guail i stáisiúin chumhachta. Maidir le trealamh a éilíonn tarchur ardchumhachta leanúnach, is féidir le meaitseáil leis an gcomhchúpláil éifeachtach uilíoch seo le haghaidh tarchur cumhachta mór caillteanas cumhachta a íoslaghdú. I gcás fiontair atá ag iarraidh réitigh chomhchoiteanna uilíocha coigilte fuinnimh, is féidir an éifeachtacht ard seo a thiontú go díreach i mbuntáistí costais: ag glacadh le mótar tionsclaíoch 1500kW mar shampla, is féidir leis níos mó ná 12,000 yuan a shábháil ar chostais leictreachais in aghaidh na bliana, agus is féidir leis cabhrú le fiontair costais oibriúcháin suntasacha a laghdú in úsáid fadtéarmach, agus na treochtaí coigilte fuinnimh agus laghdaithe tomhaltais sa réimse tionsclaíochta á gcomhlíonadh.
4. Oibriú Cobhsaí agus Ciúin, Oiriúnach do Chásanna Ilghnéitheacha
Trí chruinneas feisteas an imthacaí a bharrfheabhsú agus úsáid a bhaint as ramhar bealaithe le comhéifeacht frithchuimilte íseal, déantar rialú docht ar thorann oibriúcháin an chomhchúplála uilíoch íseal-torainn seo ag 30-40 dB(A), atá comhionann le leibhéal torainn comhthimpeallach oifige laethúil agus a chomhlíonann go hiomlán caighdeáin astaíochta torainn na suíomhanna tionsclaíocha. I gcásanna atá íogair ó thaobh torainn - amhail línte táirgeachta i ngléasraí próiseála bia agus trealamh iompair do chomhpháirteanna leictreonacha beachta - ní hamháin go n-áiritheofar cobhsaíocht agus iontaofacht an chórais tarchurtha ach freisin seachnaíonn sé cur isteach ar thimpeallacht na ceardlainne nó ar thaithí oibriúcháin na bhfostaithe de bharr torainn. Ag an am céanna, is féidir leis na saintréithe tarchurtha cobhsaí caitheamh na gcomhpháirteanna máguaird de bharr creathadh trealaimh a laghdú freisin, cobhsaíocht oibriúcháin agus saol seirbhíse an chórais táirgthe iomlán a fheabhsú tuilleadh.
Úsáidtear Cúpláil Uilíoch Cineál Táthú Gearr SWC-DH SWC-DH, ar a dtugtar go minic mar chúpláil comhpháirteach uilíoch seafta cardan SWC, go príomha i gcásanna innealra troma ar nós muilte rollta agus ardaitheoirí. Tá riachtanais an-ard ag an gcineál seo trealaimh maidir le dlúthacht struchtúrach agus solúbthacht - ní féidir oibriú éifeachtach a bhaint amach ach amháin trí na pointí seo a chomhlíonadh, agus go gcomhlíonann an cúpláil seo na riachtanais sin go foirfe. Mar chúpláil comhpháirteach uilíoch ard-chasmhóiminte, féadann sé dhá sheafta tarchurtha a nascadh go héifeachtach le haiseanna neamh-chomhtharlaitheacha, ag cinntiú tarchur cumhachta gan uaim fiú i dtimpeallachtaí crua tionsclaíochta a éilíonn cúiteamh beacht as mí-ailíniú an chórais seafta.
In iarratais phraiticiúla, cibé an bhfuil gá le cúpláil comhpháirteach iontaofa tromshaothair le haghaidh oibríochtaí muileann rollta le linn obair an mhuilinn rollta, nó má tá gá le cúpláil seafta uilíoch buan SWC i dtrealamh ardaithe agus láimhseála ábhair, is féidir leis an táirge seo feidhmiú go sármhaith - is féidir leis oibriú cobhsaí trealaimh a choinneáil fiú faoi ualaí foircneacha. Tá a buntáiste inoiriúnaitheachta an-fheiceálach i leagan amach dlúth trealaimh, áit a bhfuil spás teoranta agus dearadh struchtúr solúbtha gearr ag teastáil.
Tá an comhchúpláil uilíoch tionsclaíoch SWC-DH seo tógtha le teicneolaíocht innealtóireachta chun cinn agus optamaithe le haghaidh feidhmíochta agus saol seirbhíse go sonrach le haghaidh cásanna tionsclaíocha. Tá a phríomhghné struchtúrach ina dhearadh réasúnta agus sábháilte: cuireann an struchtúr ceann forc comhtháite go bunúsach deireadh leis na contúirtí folaithe a bhaineann le scaoileadh nó briseadh boltaí, ag méadú an neart iomlán 30% -50%. Ní hamháin go gcinntíonn an dearadh seo sábháilteacht agus iontaofacht na hoibríochta ach leathnaíonn sé freisin saol na seirbhíse i gcomparáid le samhlacha traidisiúnta, agus seachnaítear fadhbanna teipe coitianta i gcásanna iarratais ard-strus, mar shampla córais cúplála comhpháirteacha innealra troma.
Ina theannta sin, feabhsaítear a chumas ualachiompartha trí dhearadh chun níos mó meáchain a sheasamh, agus mar sin tá an comhchúpláil uilíoch tromshaothair SWC seo an-oiriúnach do chásanna a bhfuil dianriachtanais acu maidir le cumas ualachiompartha, amhail innealra mianadóireachta agus trealamh tógála. Maidir le héifeachtacht tarchurtha, sroicheann sé suas le 98.6%. Mar chúpláil comhpháirteach éifeachtach uilíoch le haghaidh tarchur cumhachta mór, féadann sé tomhaltas fuinnimh agus costais leictreachais a laghdú go suntasach, rud a fhágann go bhfuil sé ina tháirge is fearr le haghaidh réitigh cúplála comhpháirteach uilíoch coigilte fuinnimh i réimse an tarchuir thionsclaíoch ardchumhachta.
Ar deireadh, tá tarchur cobhsaí sa chúpláil seo, agus is gnách go rialaítear torann oibriúcháin ag 30-40 dB(A), rud a fhágann gur comhchúpláil uilíoch íseal-torainn é. Ligeann an tréith seo dó oibriú go ciúin fiú i gcásanna tionsclaíocha torann-íogair agus ard-iontaofacht a choinneáil i gcónaí.
⭐⭐⭐⭐⭐ Wang Lei, Innealtóir Tionscadail, Guangdong Heavy Machinery Co., Ltd.
Táimid ag baint úsáide as Cúpláil Uilíoch Cineál Táthú Short Flex SWC-DH Raydafon inár n-innealra trom le tamall anuas anois, agus is ábhar iontais taitneamhach é - go háirithe nuair a thagann sé chun spotaí daingean a fheistiú. Tá spás teoranta go leor ag ár dtrealamh le haghaidh páirteanna tarchurtha, ach luíonn dearadh dlúth an chúplála seo cosúil le lámhainní, ní gá comhpháirteanna eile a athshocrú chun é a oibriú.
Is é an rud atá níos fearr fós ná nach ndéanann sé feidhmíocht a íobairt ar mhéid. Seachadann sé tarchur casmhóiminte láidir, seasta fós - rud atá ríthábhachtach dár n-oibríochtaí tromshaothair. Tá sé á reáchtáil againn go leanúnach le seachtainí anuas, agus níor tharla aon chreathadh neamhghnácha; fanann an córas ar fad réidh. Is buaicphointe eile é an caighdeán táthúcháin freisin - is féidir leat a rá go bhfuil sé soladach trí bhreathnú a dhéanamh air, rud a thugann muinín iomlán dúinn go mbeidh sé in úsáid go fadtéarmach. I gcás cúplála a chothromaíonn dearadh spárála agus iontaofacht, is buaiteoir é seo.
⭐⭐⭐⭐⭐ Zhao Ming, Bainisteoir Soláthair, Tianjin Steel Equipment Co., Ltd.
D’ordaíomar roinnt cúpláin SWC-DH ó Raydafon le déanaí, agus caithfidh mé a rá, bhí an próiseas soláthair ar fad ina ghaoith – gan aon tinneas cinn, gan aon mhoill. Ón nóiméad a chuireamar an t-ordú isteach, bhí a bhfoireann freagrúil, agus léirigh an seachadadh díreach ar an dáta sceidealta, rud is buntáiste mór chun ár dtáirgeadh a choinneáil ar an mbóthar ceart. Bhí an pacáistiú den chéad scoth freisin: bhí gach cúpláil fillte go daingean, gan aon dents nó damáiste le linn loingseoireachta - díreach réidh le unbox agus suiteáil.
Dhéileáil ár bhfoireann theicniúil leis an socrú, agus luaigh siad láithreach cé chomh héasca agus a bhí sé é a shuiteáil. Gan aon chéimeanna casta, ní gá dul sa tóir ar uirlisí speisialta - d'fheistigh siad go tapa é, agus tá sé ar siúl go hiontaofa ó shin i leith. Nuair a chuireann tú san áireamh an praghas réasúnta atá péireáilte leis an bhfeidhmíocht chomhsheasmhach seo, is léir go dtugann an cúpláil seo luach iontach. Tá sé beartaithe againn cheana féin é a choinneáil ar ár liosta soláthair rialta; is é an cineál táirge é a éascaíonn mo phost mar cheannaitheoir.
⭐⭐⭐⭐⭐ Liu Hong, Stiúrthóir Cothabhála, Shandong Industrial Group
Mar dhuine a dhéanann maoirsiú ar chothabháil trealaimh, is é an tosaíocht is mó atá agam ná laghdú a dhéanamh ar aga neamhfhónaimh agus an t-am a chaitheann m’fhoireann ar sheirbhísiú páirteanna a laghdú. Seiceálann cúpláil SWC-DH Raydafon an dá bhosca sin go foirfe. Bainimid úsáid as i dtrealamh a ritheann faoi ualaí oibre troma gach lá, agus nach sleamhnaíonn nó a aistríonn sé choíche - fanann sé go daingean, gan aon naisc scaoilte. Fiú amháin tar éis míonna úsáide, is ar éigean a bhíonn aon chomhartha caitheamh ann, rud atá i gcodarsnacht mhór le cúpláin eile a d’úsáideamar roimhe seo.
Leis na cúpláin níos sine sin, bhíomar i gcónaí ag sceidealú réitigh thapa nó páirteanna athsholáthair, a d'ith isteach in am táirgthe agus a mhéadaigh costais. An ceann seo? Is ar éigean a théimid i dteagmháil leis – ní dhéantar aon seirbhísiú go minic, gan aon chliseadh gan choinne. Shábháil sé an oiread sin ama agus airgid dúinn ar chothabháil, agus leanann sé ag déanamh a chuid oibre go hiontaofa. Na laethanta seo, tá sé ina chuid lárnach dár n-oibríochtaí laethúla; Ní gá dom a bheith buartha faoi theip air, rud a ligeann dom díriú ar thosaíochtaí eile. Is é seo go díreach an cineál cuid iontaofa a theastaíonn ó gach foireann cothabhála.
Seoladh
Limistéar Tionscail Luotuo, Ceantar Zhenhai, Cathair Ningbo, an tSín
Teil
R-phost


+86-574-87168065


Limistéar Tionscail Luotuo, Ceantar Zhenhai, Cathair Ningbo, an tSín
Cóipcheart © Raydafon Technology Group Co., Limited Gach ceart ar cosaint.
Links | Sitemap | RSS | XML | Beartas Príobháideachta |
