Cód QR
Táirgí
Glaoigh orainn


Facs
+86-574-87168065

R-phost

Seoladh
Limistéar Tionscail Luotuo, Ceantar Zhenhai, Cathair Ningbo, an tSín
Tógtar Cúpláil Uilíoch SWC-WD Short Without Flex Flange Raydafon chun an chasmhóimint a bhogadh go héifeachtach in innealra trom - smaoinigh ar mhuilte rollta cruach, craenacha, trealamh ardaithe, an trealamh tromshaothair sin go léir. Tá dearadh flange dlúth, neamhtheileascópach aige, le trastomhais gyration ó 180mm go 1320mm. Is féidir leis an gcúpláil uilíoch flange gearr seo mí-ailínithe uilleacha suas le 15 céim agus chasmhóiminte chomh hard le 16000 kN·m a láimhseáil, mar sin fiú i spásanna daingean nuair nach bhfuil mórán spáis ann, coinníonn sé an chumhacht ag aistriú go hiontaofa. Déanaimid é as cruach ard-neart 35CrMo, le struchtúr imthacaí nach bhfuil gá le boltaí - atá foirfe do chúpláin uilíocha le haghaidh innealra trom agus cúpláin uilíocha neamhtheileascópacha le haghaidh feidhmeanna tionsclaíocha. Ní éilíonn sé mórán cothabhála agus maireann sé go deo, agus is é sin go díreach a theastaíonn uait i socruithe diana.
Leanann ár ndéantúsaíocht sa tSín caighdeáin ISO 9001, mar sin coinníonn an cúpláil uilíoch SWC-WD suas i gcoinníollacha crua. Tá an trasseafta chrome-phlátáilte chun creimeadh a sheasamh, ag cur lena déine. Déanann a dearadh flange docht táthaithe an t-shuiteáil a dhéanamh, go háirithe i dtrealamh miotalóireachta agus mianadóireachta áit a bhfuil gluaiseacht aiseach go leor íosta. Is féidir linn an méid a shaincheapadh chun freastal ar do chuid riachtanas, agus mar sin oibríonn an cúpláil gearr buan uilíoch seo go hiontach mar chúpláin uilíocha saincheaptha do chórais chraenacha agus do phoist thromshaothair eile. Agus tá an praghas iomaíoch freisin. Ciallaíonn ceardaíocht beacht Raydafon níos lú ama aga agus trealamh níos iontaofa - rud ar féidir le hoibreoirí tionsclaíochta ar fud an domhain brath air.
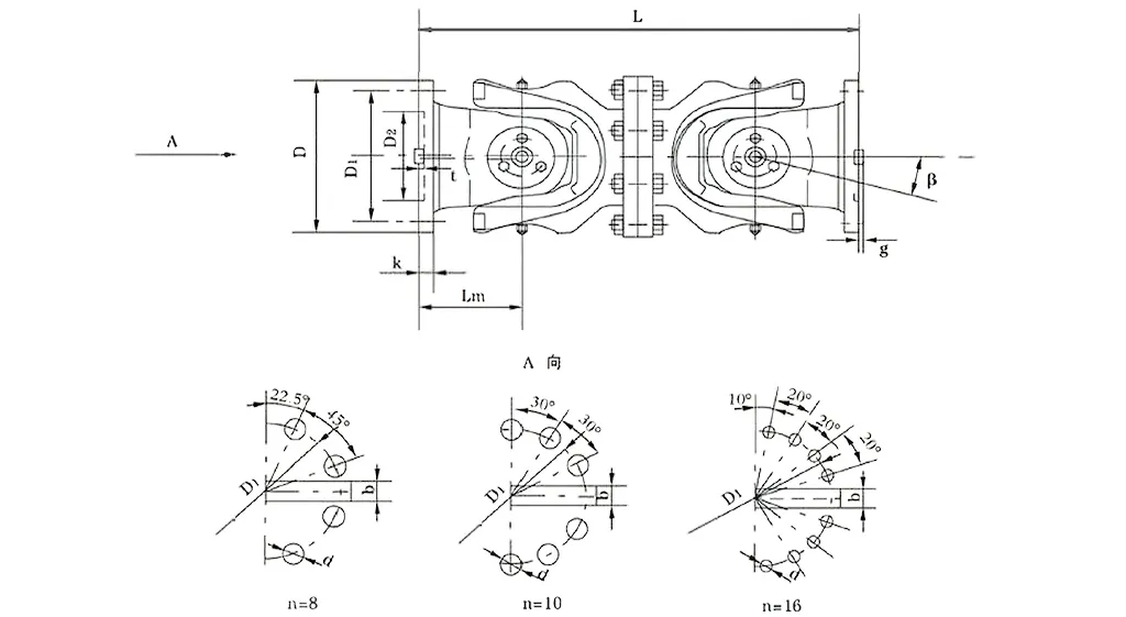
| Níl. | Trastomhas giration D mm | Casmhóiminte ainmniúil Tn KN·m | Uillinn fillte aiseanna β (°) | Casmhóiminte tuirseach Tf KN·m | Méid (mm) | Meáchan (kg) | |||||||||
| Lmin | D1 (js11) | D2 (H7) | Lm | n-d | k | t | b (h9) | g | Lmin | Méadú 100mm | |||||
| SWC180WD | 180 | 12.5 | 6.3 | ≤25 | 440 | 155 | 105 | 110 | 8-17 | 17 | 5 | - | - | 0.145 | 52 |
| SWC225WD | 225 | 40 | 20 | ≤15 | 480 | 196 | 135 | 120 | 8-17 | 20 | 5 | 32 | 9.0 | 0.355 | 82 |
| SWC250WD | 250 | 63 | 31.5 | 560 | 218 | 150 | 140 | 8-19 | 25 | 6 | 40 | 12.5 | 0.831 | 127 | |
| swc285wd | 285 | 90 | 45 | 640 | 245 | 170 | 160 | 8-21 | 27 | 7 | 40 | 15.0 | 1.715 | 189 | |
| SWC315WD | 315 | 125 | 63 | 720 | 280 | 185 | 180 | 10-23 | 32 | 8 | 40 | 15.0 | 2.820 | 270 | |
| SWC350WD | 350 | 180 | 90 | 776 | 310 | 210 | 194 | 10-23 | 35 | 8 | 50 | 16.0 | 4.791 | 370 | |
| SWC390WD | 390 | 250 | 125 | 860 | 345 | 235 | 215 | 10-25 | 40 | 8 | 70 | 18.0 | 8.229 | 524 | |
| swc440wd | 440 | 355 | 180 | 1040 | 390 | 255 | 260 | 16-28 | 42 | 10 | 80 | 20.0 | 15.320 | 798 | |
| SWC490WD | 490 | 500 | 250 | 1080 | 435 | 275 | 270 | 16-31 | 47 | 12 | 90 | 22.5 | 25.740 | 1055 | |
| SWC550WD | 550 | 710 | 355 | 1220 | 492 | 320 | 305 | 16-31 | 50 | 12 | 100 | 22.5 | 46.780 | 1524 | |
| SWC620WD | 620 | 1000 | 500 | 1360 | 555 | 380 | 340 | 10-38 | 55 | 12 | 100 | 25.0 | 83.760 | 2120 | |
* 1. Tf-faoin ualach malartach an chasmhóiminte a cheadaíonn de réir an neart tuirse.
Ní cuid amháin é cúpláil comhpháirteach uilíoch SWC Raydafon - ar a dtugtar comhchúpláil uilíoch seafta cardan SWC de ghnáth -; tá sé riachtanach i réimsí tionsclaíochta tromshaothair, cosúil le muilte rollta, trealamh ardaithe, agus gach cineál socruithe diana innealra trom. Mar chúpláil chomhpháirteach uilíoch ard-chasmhóiminte, déanann sé jab láidir ag nascadh dhá sheafta tarchurtha nach bhfuil ailínithe go foirfe, ag cinntiú go seachadtar an chumhacht go réidh fiú nuair a bhíonn na coinníollacha oibre an-dian.
Labhraímis faoina chroí-shonraí: raonta trastomhas gyration ó φ58 go φ620, téann an chasmhóimint ainmniúil ó 0.15 go 1000 kN·m, agus níl uillinn fillte an ais níos mó ná 25 °.
Is fearr a oibríonn an cúpláil seo i spotaí sonracha – cosúil le nuair a bhíonn comhchúpláil iontaofa iontaofa uilíoch de dhíth ort le haghaidh oibríochtaí muileann rollta, nó cúpláil seafta uilíoch buan SWC i dtrealamh ardaithe agus láimhseála ábhair. Sna cásanna seo, léiríonn sé a neart: fiú faoi strus mór, coinníonn sé oibríochtaí seasta, gan aon praiseach nó miondealuithe.
Ní hamháin go gcaitear comhchúpláil uilíoch SWC Raydafon le chéile - tá sé tógtha le hinnealtóireacht chliste, cothrom le dáta chun oibriú go hiontach agus fanacht suas le fada in úsáid thionsclaíoch. Siúlfaimid tríd an rud a fhágann go seasann a struchtúr amach.
Ar an gcéad dul síos, tá cumraíocht réasúnta sábháilte aige: d'úsáideamar dearadh ceann forc comhtháite don chomhchúpláil uilíoch tionsclaíoch seo, rud a laghdaíonn rioscaí cosúil le boltaí a bheith ag scaoilte nó ag briseadh. Fágann an tweak sin amháin go bhfuil sé 30% -50% níos daingne ar an iomlán, mar sin ritheann sé go sábháilte agus go comhsheasmhach. I gcomparáid le cúpláin rialta, maireann sé i bhfad níos faide, agus seachnaíonn sé fadhbanna coitianta i spotaí ard-teannais - cosúil leis na córais chomhchúplála uilíocha innealra trom a fheiceann tú i bpoist chrua.
Ansin tá a chumas ualachiompartha feabhsaithe: déantar an comhchúpláil uilíoch tromshaothair SWC seo chun meáchain mhóra a láimhseáil, agus mar sin tá sé riachtanach in áiteanna a dteastaíonn láimhseáil ualaigh den scoth uathu, amhail trealamh mianadóireachta nó meaisíní tógála.
Buaileann sé ardéifeachtúlacht tarchuir freisin - suas le 98.6%. Mar chúpláil comhpháirteach éifeachtach uilíoch le haghaidh tarchur cumhachta mór, slashes sé úsáid fuinnimh agus na costais a thagann leis. Sin an fáth gur rogha iontach é do réitigh chomhchúplála uilíocha coigilte fuinnimh i socruithe tarchurtha tionsclaíochta ardchumhachta.
Agus ritheann sé go réidh le torann íseal: fanann an tarchur seasta, agus is gnách go n-osclaíonn an torann idir 30-40 dB(A). Coinníonn an comhchúpláil uilíoch íseal-torainn seo oibríochtaí ciúin, rud atá foirfe do spotaí tionsclaíocha ina bhfuil torann ina fhadhb - agus an iontaofacht á choinneáil ag leibhéal ard.
⭐⭐⭐⭐⭐ Zhang Wei, Príomh-Innealtóir, Henan Mining Equipment Co., Ltd.
Táimid tar éis Cúpláil Uilíoch SWC-WD Short Without Flex Flange Raydafon a chur ar ár n-innealra mianadóireachta, agus bhí sé ina oiriúnach foirfe. Is é a dhearadh dlúth ach an méid a theastaíonn uainn le haghaidh spásanna daingean nuair nach bhfuil mórán spáis le spáráil, agus go bhfuil an tógáil dian go leor chun oibríochtaí a choinneáil seasta. Fiú nuair a bhíonn sé ag rith gan stad faoi choinníollacha tromshaothair, ní ligeann an cúpláil seo síos dúinn - ní teipeann ar bith. Is breá lenár bhfoireann cothabhála gur ar éigean go dteastaíonn seiceáil isteach, rud a chiallaíonn gur féidir linn an táirgeadh a choinneáil ag gluaiseacht go réidh gan aon stró breise.
⭐⭐⭐⭐⭐ Michael Brown, Bainisteoir Oibríochtaí, Texas Steel Works, SAM
D'ordaigh ár gceardlann i Texas Cúpláil Uilíoch Cineál SWC-WD Short Without Flex Flange ó Raydafon, agus go hionraic, tá an caighdeán tar éis titim uainn. Déantar na cúpláin a mheaisíniú go han-mhaith, is cinch é iad a shuiteáil, agus coinníonn siad suas go hiontaofa fiú agus iad faoi ualach. Cad is mó atá buailte liom? Cé chomh maith agus a chothromaíonn sé praghas agus feidhmíocht - ní minic a fhaigheann tú an láthair milis sin. Níl sé éasca soláthraí a aimsiú a sheachadann an leibhéal cáilíochta seo go seasta, ach tá sé cruthaithe go hiomlán ag Raydafon gur comhpháirtí iontaofa dúinn iad.
⭐⭐⭐⭐⭐ Anna Müller, Maoirseoir Cothabhála, Berlin Industrial Solutions, an Ghearmáin
Chuireamar Cúpláil Uilíoch SWC-WD Short Without Flex Flange Raydafon ar ár líne trealaimh i mBeirlín, agus bhí na torthaí iontach. Mothaíonn an táirge féin carraig-soladach, tá an táthú beacht - níl aon obair shoddy anseo - agus go dtí seo, tá sé coinnithe go han-mhaith, ag taispeáint marthanacht den scoth. I gcomparáid le roinnt brandaí eile atá in úsáid againn anseo san Eoraip, tá an cúpláil seo i bhfad níos iontaofa, agus tá an praghas i bhfad níos iomaíche freisin. Má tá cuideachtaí eile ag lorg cúpláin uilíoch iontaofa, molaim Raydafon go hiomlán.
Tá Cúpláil Uilíoch SWC-WD Short Without Flex Flange Raydafon - ar a dtugtar comhchúpláil uilíoch seafta cardan SWC go minic - tógtha le haghaidh spotaí tionsclaíocha daingean, áit a bhfuil spás teoranta agus go dteastaíonn dearadh fad seasta uait (gan síneadh teileascópach). Mar chomhchúpláil ard-chasmhóiminte uilíoch, bogann sé an chasmhóimint go héifeachtach idir seaftaí nach bhfuil ailínithe, ag láimhseáil diallais uilleacha suas le 25 céim, agus fanann sé iontaofa fiú i dtimpeallachtaí tromshaothair.
Labhraímis faoina phríomhghnéithe: Tá struchtúr dlúth agus docht aige - déanann an socrú gearr, neamh-solúbtha flange seo cúpláil comhpháirteach iontaofa tromshaothair d'oibríochtaí muileann rollta, rud a thugann cobhsaíocht bhreise i socruithe ina bhfuil gluaiseacht aiseach íosta. Sin an fáth go n-oibríonn sé chomh maith sin le haghaidh naisc fhaid sheasta in innealra diana. Ansin tá a chumas ualachiompartha ard: bainimid úsáid as ábhair chrua cosúil le iarann teilgthe nó cruach cóimhiotail chun é a dhéanamh, agus mar sin is cúpláil seafta uilíoch buan SWC é i dtrealamh ardaithe agus láimhseála ábhar. Tá meáchain mhóra aige agus tarchuireann sé níos mó chasmhóiminte ná cúpláin eile den trastomhas céanna, rud a fhágann go bhfuil sé foirfe do ualaí troma i bhfearas mianadóireachta nó tógála.
Cúitíonn an comhchúpláil uilíoch tionsclaíoch seo go han-mhaith freisin as mí-ailíniú - cibé acu is mí-ailíniú uilleach, comhthreomhar nó aiseach é, ní chuireann sé praiseach le luas rothlach nó le haistriú chasmhóiminte. Ciallaíonn sé sin oibriú rianúil in innealra trom córais cúplála comhpháirteacha uilíoch. Agus tá sé éifeachtach ag tarchur cumhachta: ag bualadh suas le héifeachtacht 98.6%, coinníonn an comhchúpláil uilíoch tromshaothair SWC seo caillteanas fuinnimh íseal, rud a fhágann go bhfuil sé ina chúpláil comhpháirteach uilíoch éifeachtach le haghaidh tarchur cumhachta mór i socruithe tionsclaíochta ardchumhachta.
Ina theannta sin, tá sé deartha chun fuinneamh a shábháil agus a bheith ciúin - má tá réitigh chomhchúplála uilíoch coigilte fuinnimh uait, is rogha iontach é seo, ag gearradh costais oibriúcháin. Agus coinníonn sé torann idir 30-40 dB(A), agus mar sin luíonn an comhchúpláil uilíoch íseal-torann seo go díreach i spotaí tionsclaíocha ina bhfuil torann ina ábhar imní.
Tá an cúpláil seo le feiceáil go mór i gcásanna sonracha – cosúil le cásanna nuair a bhíonn comhchúpláil uilíoch iontaofa tromshaothair uait le haghaidh oibríochtaí muileann rollta, nó cúpláil seafta uilíoch buan SWC i dtrealamh ardaithe agus láimhseála ábhair. Sna cásanna seo, fiú le hualaí foircneacha agus spás teoranta, coinníonn sé oibríochtaí cobhsaí, gan aon hiccups.
Maidir le hiarratais tionsclaíocha cúplála comhpháirteacha uilíocha, seasann ár leagan SWC-WD amach le hinnealtóireacht chliste a fhágann go bhfeidhmíonn sé níos fearr agus go mairfidh sé níos faide. Labhraímid faoina phríomh-struchtúr: tá socrú réasúnta sábháilte aige le dearadh ceann forc comhtháite - cuireann sé seo réidh le fadhbanna cosúil le boltaí a bheith ag scaoilte nó ag briseadh, ag cur leis an neart iomlán 30% -50%. Ciallaíonn sé sin go n-imíonn sé go sábháilte agus go hiontaofa, go maireann sé níos faide ná múnlaí sean-stíl, agus go seachnaítear miondealuithe coitianta in áiteanna ard-strus, cosúil le córais cúplála comhpháirteacha uilíocha innealra trom.
Ina theannta sin, is féidir leis níos mó ualach a láimhseáil - thógamar é chun tacú le meáchain níos troime, agus mar sin tá an comhchúpláil uilíoch tromshaothair SWC seo foirfe d'áiteanna a dteastaíonn láimhseáil ualaigh chrua, cosúil le trealamh mianadóireachta nó tógála. Bogann sé cumhacht Super go héifeachtach freisin, ag bualadh suas le 98.6% éifeachtacht tarchurtha. Mar chúpláil comhpháirteach éifeachtach uilíoch le haghaidh tarchur cumhachta mór, laghdaítear úsáid fuinnimh agus na costais a bhaineann leis, rud a fhágann gur rogha iontach é do réitigh chomhchúplála uilíoch coigilte fuinnimh i socruithe tarchurtha tionsclaíochta ardchumhachta.
Agus ritheann sé go réidh gan mórán torainn - fanann an tarchur seasta, agus de ghnáth fanann an torann idir 30-40 dB(A). Coinníonn an cúpláil comhpháirteach uilíoch íseal-torann seo oibríochtaí ciúin, atá foirfe do spotaí tionsclaíocha ina bhfuil torann ina fhadhb, agus iontaofacht á choinneáil ag ardleibhéal.
Ní hamháin gur ainm eile é Raydafon i gcodanna tarchurtha - táimid ag monaróir agus ag soláthraí na príomhchúiseanna le comhpháirteanna tarchurtha ardfheidhmíochta agus réitigh innealra tionsclaíocha, agus tá fócas géar againn ar tháirgí cosúil le comhchúpláil uilíoch seafta cardan SWC. Thosaigh muid ag coinneáil suas leis na rudaí a theastaíonn ó thionscail dhomhanda de réir mar a thagann siad chun cinn, agus le himeacht ama, tá raon iomlán tógtha againn: giarbhoscaí, seaftaí tiomána, sorcóirí hiodrálacha, ulóga, uirlisí meaisín beachtais - iad seo ar fad déanta chun cur le cé chomh maith agus a ritheann earnálacha talmhaíochta agus tromshaothair. Táimid go mór ar an nuálaíocht, agus is é sin an fáth gur féidir linn comhchúpláil uilíoch iontaofa tromshaothair a sheachadadh le haghaidh oibríochtaí muileann rollta a fheileann go díreach do na córais is casta fiú gan bac.
Tá ár n-áiseanna den chéad scoth, freisin - tá ceardlanna CNC againn, trealamh meilt agus cóireála teasa, agus ardchórais tomhais 3D. Cloíimid le dianchaighdeáin cháilíochta cosúil le ISO9001 / TS16949, agus ligeann an socrú sin dúinn réitigh chúplála comhpháirteacha uilíocha ard-chasmhóiminte a dhéanamh a bhogann an chasmhóimint go hiontach agus a láimhseálann mí-ailíniú cosúil le pro. Tóg ár gcomhchúpláil seafta uilíoch buan SWC i dtrealamh ardaithe agus láimhseála ábhar, mar shampla - tá sé tógtha d'áiteanna a dteastaíonn cumhacht dianiompartha uathu. Agus ár líne cúplála comhpháirteach uilíoch tionsclaíoch? Clúdaíonn sé gach cineál úsáidí ina bhfuil an t-ábhar cruinneas agus sturdiness is mó.
Onnmhairítear ochtó faoin gcéad den méid a dhéanaimid - chuig áiteanna mar na SA, an Ghearmáin, an tSeapáin, an Iodáil, an Mhalaeisia, an Astráil agus an Meánoirthear. Tá líonraí láidre againn sa tSín, sa Chóiré Theas, sa Ríocht Aontaithe, i Singeapór, sna SA agus sa Spáinn freisin, agus mar sin táimid soladach ar fud an domhain. Ligeann an méid sin dúinn roghanna saincheaptha um chúpláil comhpháirteach uilíoch tromshaothair SWC a thairiscint – atá oiriúnaithe go díreach do na riachtanais atá ag cliaint, mar atá i gcórais chúplála comhpháirteacha innealra troma, áit nach féidir fanacht cobhsaí faoi ualaí foircneacha.
Is mór againn inbhuanaitheacht agus réitigh a dhéanamh a chuireann custaiméirí ar dtús. Sin an fáth a fhorbraímid réitigh chomhchúplála uilíoch coigilte fuinnimh a bhain suas le 98.6% éifeachtúlacht tarchuir - úsáid fuinnimh a ghearradh i socruithe ardchumhachta. Cibé an bhfuil cúpláil comhpháirteach éifeachtach uilíoch ag teastáil uait le haghaidh tarchur cumhachta mór nó cúpláil comhpháirteach uilíoch íseal-torainn le haghaidh spotaí tionsclaíocha ina bhfuil fadhb ag baint le torann, tagann ár gcuid táirgí le seirbhís iar-díolacháin iomlán. Sin é an chaoi a bhfuilimid inár gcomhpháirtí iontaofa sa tionscal tarchuir - ní hamháin go ndíolaimid páirteanna, tugaimid tacaíocht dóibh.
Seoladh
Limistéar Tionscail Luotuo, Ceantar Zhenhai, Cathair Ningbo, an tSín
Teil
R-phost


+86-574-87168065


Limistéar Tionscail Luotuo, Ceantar Zhenhai, Cathair Ningbo, an tSín
Cóipcheart © Raydafon Technology Group Co., Limited Gach ceart ar cosaint.
Links | Sitemap | RSS | XML | Beartas Príobháideachta |
