Cód QR
Táirgí
Glaoigh orainn


Facs
+86-574-87168065

R-phost

Seoladh
Limistéar Tionscail Luotuo, Ceantar Zhenhai, Cathair Ningbo, an tSín
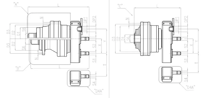
| Múnla | PG-702 | PG-1002 | PG-1602 | PG-1802 | PG-2502 | PG-3002 | PG-3503 | |||
| Cóimheas i | 18.2 | 18.3 | 13.4-33.6 | 15.7-29.9 | 14.6-20-36.2 | 45.3 | 53.7 | |||
| Cineál aschuir | B | B | B | C | B | C | A | C | C | C |
| D1 |
|
|
|
88HB |
|
88HB | 245F7 | 102H7 | 102H7 | 122HF |
| D2 | 200F7 | 230F7 | 230F7 | 278F7 | 230F | 278F7 | 340F7 | 340F7 | 340F7 | 340F7 |
| D3 | 250 | 295 | 295 | 314 | 295 | 314 | 370 | 370 | 370 | 370 |
| N | ∅15×12 | ∅17×10 | ∅17×10 | ∅15×18 | ∅17×10 | ∅15×18 | ∅17×15 | ∅17×15 | ∅17×15 | ∅17×15 |
| L | 646.5 | 627.5 | 693 | 490.5 | 714 | 499.5 | 798.5 | 595.5 | 601 | 680.5 |
| S6 | 70*64 DIN5482 | 80*74 DIN5482 | 100*94 DIN5482 | 80*74 DIN5482 | 100*94 DIN5482 | 80*74 DIN5482 | 100*94 DIN5482 | 100*94 DIN5482 | 100*94 DIN5482 | 120*22*5 DIN5482 |
| S1 | 1" 3/8 Z6 | 1" 3/8 Z6 | 1" 3/8 Z6 | 1" 3/8 Z6 | 1" 3/8 Z6 | 1" 3/8 Z6 | 1" 3/8 Z6 | 1" 3/8 Z6 | 1" 3/8 Z6 | 1" 3/8 Z6 |
| S2 | 1" 3/8 Z6 | 1" 3/8 Z6 | 1" 3/8 Z6 | 1" 3/8 Z6 | 1" 3/8 Z6 | 1" 3/8 Z6 | 1" 3/8 Z6 |
|
|
|
| DP1 | 40*36 DIN5482 | 40*36 DIN5482 | 40*36 DIN5482 | 40*36 DIN5482 | 40*36 DIN5482 | 40*36 DIN5482 | 40*36 DIN5482 | 40*36 DIN5482 | 40*36 DIN5482 | 40*36 DIN5482 |
| DP2 | 60.3HB | 60.3HB | 60.3HB | 60.3HB | 60.3HB | 60.3HB | 60.3HB | 60.3HB | 60.3HB | 60.3HB |
| X | 157 | 157 | 157 | 157 | 157 | 157 | 157 | 157 | 157 | 157 |
| Y | 262 | 262 | 262 | 262 | 262 | 262 | 262 | 262 | 262 | 262 |
| S4 |
|
|
|
1" 3/8 Z6 |
|
1" 3/8 Z6 |
|
1" 3/8 Z6 | 1" 3/8 Z6 | 1" 3/8 Z6 |
| T |
|
|
|
156.8 |
|
156.8 |
|
156.8 | 156.8 | 156.8 |
| Múnla | Cóimheas i | D1 | D2 | D3 | D4 | N | E |
| PG-1602 | 22.14-33.6 | 80*74 DIN5482 | 225 F7 | 278 F7 | 314 | ∅15×18 | SAE B/SAE C |
| PG-2502 | 20-36.2 | 100*94 DIN5482 | 245 F7 | 340F7 | 370 | ∅17×15 | SAE B/SAE C |
| Múnla | Cóimheas i | D1 | D2 | D3 | N | E |
| PG-161 | 3.55-2.49-5.60 | 40*36 DIN5482 | 110 F7 | 165 | ∅10.5 × Uimh. 8 | SAE A/SAE B/SAE BB/OMTS |
| PG-251 | 4.13-5.17-6.00 | 58*53 DIN5482 | 150 F7 | 195 | ∅13×10 | SAE A/SAE B/SAE BB/OMTS |
| PG-501 | 4.13-5.17-6.00 | 58*53 DIN5482 | 150 F7 | 195 | ∅13×10 | SAE A/SAE B/SAE BB/OMTS |
Tá forbairt angiarbhosca pláinéadach meascthóir beatha sraith PGEascraíonn ó léargas domhain ar na pointí pian an chórais tarchurtha trealaimh mheascadh traidisiúnta. Ní cruachta simplí de struchtúir mheicniúla é a thrí ailtireacht tarchurtha dáilte fearas pláinéadach, ach trí insamhladh arís agus arís eile ar na coinníollacha struis faoi chóimheasa éagsúla amhábhar, déantar an meascán órga de mhodúl fearas, leithead fiacail agus uillinn helix a chinneadh ar deireadh. Mar shampla, nuair a bhíonn gais arbhair agus meascáin béile pónaire soighe á phróiseáil, is féidir leis an dearadh fiacail ionchuir uathúil an baol a bhaineann le jamming ábhar a laghdú 15%. Leis an bpróiseas meilt ard-chruinneas, rialaítear garbh an dromchla fiacail faoi bhun Ra0.8, rud a mhéadaíonn an éifeachtacht tarchurtha 8% -10% i gcomparáid le giarbhoscaí traidisiúnta. Léiríonn sonraí tomhaiste mhonarcha beatha, i 12 uair an chloig d'oibriú leanúnach in aghaidh an lae, go bhfuil tomhaltas fuinnimh an ghiarbhosca seo 14% níos ísle ná táirgí den chineál céanna, agus laghdaítear aimplitiúid luaineachta chasmhóiminte an seafta mheascadh 22%, rud a fheabhsaíonn go mór an aonfhoirmeacht mheascadh.
Maidir le cáithníní crua cosúil le gaineamh, cloch, agus smionagar miotail a mheascadh go minic in amhábhair beatha, díríodh ar an mbosca fearas seo i dtéarmaí ábhair agus próisis. Tá an comhlacht fearas déanta as cruach cóimhiotail 20CrMnTi. Tar éis cóireáil múchadh le doimhneacht carburizing de 1.2mm, in éineacht le próiseas faghartha íseal-teocht, méadaítear neart tuirse lúbthachta fréamhacha fiacail go dtí níos mó ná 850MPa. Faoi na coinníollacha oibre foircneacha a bhaineann le scagadh amhábhar neamhiomlán i feirm, tá a fhriotaíocht pitting tar éis seasamh in aghaidh tástáil tionchair ghaineamh agus gairbhéil leanúnach 500 uair an chloig, agus níor tháinig ach scratches beaga ar dhromchla an fhiacail gan feannadh. Ag an am céanna, trí leagan amach an phláta rib a bharrfheabhsú agus réamhualach iompair an iompróra phláinéidigh, féadann an giarbhosca cruinneas tarchurtha a choinneáil fós nuair a bhíonn sé faoi réir tionchar meandarach de 1.5 uair an chasmhóiminte rátáilte, rud a sheachnaíonn an baol go ndéanfaí mí-ailíniú fearas nó bristeadh fiacail de bharr ró-ualach.
Tá dearadh cliste an ghiarbhosca díorthaithe ó thuiscint dhomhain ar na pointí pian oibríochta agus cothabhála sa tionscal próiseála beatha. Ní bailitheoir sonraí simplí é modúl monatóireachta cliste tógtha, ach tras-anailís ar theocht, creathadh, comharthaí reatha agus comharthaí eile trí mhúnla algartam. Mar shampla, nuair a bhraitear go bhfuil an teocht imthacaí ró-ard, cuirfidh an córas sonraí staire an ualaigh le chéile chun a chinneadh an bhfuil sé neamhleor lubrication nó imthacaí caitheamh, agus déanfaidh sé moltaí cothabhála sonracha a bhrú. Tar éis an córas seo a chur i bhfeidhm, sheachain cuideachta beatha trí downtime neamhphleanáilte trí ramhar a athsholáthar agus imréiteach imthacaí a choigeartú roimh ré, agus tháinig méadú 18% ar éifeachtacht iomlán an trealaimh (OEE). Ina theannta sin, spreag an t-aiseolas ó phearsanra cothabhála an líne tosaigh dearadh a struchtúr modúlach mearscaoilte. Ní gá ach ceithre bolt a scaoileadh chun athsholáthar iomlán na sraithe fearas pláinéadach a chomhlánú, agus giorrú an t-am cothabhála ó 4 uair an chloig den struchtúr traidisiúnta go 1.5 uair an chloig.
Ó thaobh cosaint an chomhshaoil agus leas iomlán a bhaint as éifeachtúlacht fuinnimh, eascraíonn dearadh nuálaíoch an ghiarbhosca as tuiscint chruinn ar riachtanais an tionscail beatha chun costais a laghdú agus éifeachtúlacht a mhéadú. Ní mhéadaíonn a struchtúr diomailt teasa an limistéar diomailt teasa go dall, ach déanann sé uillinn bíseach agus spásáil na n-easnacha diomailt teasa a bharrfheabhsú trí insamhlú meicnic sreabhach, ionas go n-ardófar an éifeachtacht diomailt teasa nádúrtha 30%, rud a laghdaíonn tomhaltas fuinnimh an lucht leanúna fuaraithe. Sa chóras lubrication, glactar le teicneolaíocht soláthair ola dé-chrios chun an méid ola a choigeartú go dinimiciúil de réir an ualaigh, ag seachaint an modh lubrication "tuilte" de ghiarbhoscaí traidisiúnta, agus laghdaítear tomhaltas bealaithe 25%. Léiríonn tomhas iarbhír líne táirgeachta beatha a onnmhairítear go dtí an Eoraip go bhfuil leibhéal torainn an ghiarbhosca 5dB níos ísle ná caighdeán an AE, agus sroicheann a leibhéal éifeachtúlachta fuinnimh an caighdeán IE3, ag cabhrú le custaiméirí pas a fháil go rathúil ar dheimhniú éifeachtúlachta fuinnimh na tíre allmhairíochta. Is é an coincheap dearaidh seo a cheanglaíonn sonraí teicniúla go domhain le luach tráchtála an eochair d'aitheantas margaidh a bhuaigh an táirge.
Dia duit! Is mise Elena García, custaiméir as Barcelona, an Spáinn. Táimid ag baint úsáide as do ghiarbhosca phláinéidigh inár gcóras rianaithe painéil fhótavoltach le bliain go leith. Réitigh an trealamh seo go hiomlán ár bhfadhb maidir le cruinneas rianaithe gréine - bhí diall rianaithe de thart ar 5 céim i gcónaí ar an mbosca giarbhosca a d'úsáid muid roimhe seo gach maidin agus tráthnóna, agus is féidir le do ghiarbhosca pláinéadach le ionchódóir an earráid rianaithe a rialú laistigh de 0.5 céim. Anois tá méadú 18% tagtha ar an meánghiniúint cumhachta laethúil de phainéil fhótavoltach i gcomparáid leis roimhe seo, agus tá an bille leictreachais tar éis éirí i bhfad níos tanaí fiú. Anois tá an giarbhosca pláinéadach seo tar éis seasamh in aghaidh na tástála spraeála salainn agus gaotha láidre sa stáisiún cumhachta fótavoltach cois farraige. Níor léirigh sciath frith-chreimeadh na tithíochta giarbhosca aon chomharthaí titim amach, agus ní gá an ola fearas inmheánach a athsholáthar chomh minic agus a bhí roimhe seo. Táim ag tnúth le bheith ag obair leat i níos mó tionscadal fuinnimh in-athnuaite amach anseo!
Is mise Hans Müller, innealtóir meicniúil ón nGearmáin. Leath bhliain ó shin, cheannaigh mé giarbhoscaí pláinéadacha Raydafon le haghaidh uasghrádú ar an líne táirgeachta. Tar éis iad a úsáid, sháraigh siad mo ionchais! Ritheann an trealamh ar ualach ard ar feadh 16 uair sa lá chun amhábhair ard-slaodachta a phróiseáil. Laghdaítear torann an ghiarbhosca 20%, tá an éifeachtacht tarchurtha cobhsaí ag níos mó ná 94%, déantar an t-ardú teochta a rialú i gcónaí laistigh de 25 ° C, agus tá an marthanacht i bhfad níos fearr ná na sean-mhúnlaí. Bhí d'fhoireann gairmiúil agus éifeachtach le linn an phróisis, ó bharrfheabhsú paraiméadar go luath, coigeartú struchtúr séalaithe go treoir dífhabhtaithe iargúlta. Léiríonn an dearadh mionsonraithe (cosúil le rónta dustproof agus poill gléasta caighdeánaithe) tuiscint dhomhain ar na coinníollacha oibre iarbhír. Thug cáilíocht táirgí agus leibhéal seirbhíse Raydafon orm é a áireamh ar liosta na soláthróirí fadtéarmacha gan leisce, agus molaim go láidir é do mo chomhghleacaithe!
Tá feirm á reáchtáil agam le blianta fada anuas agus tá go leor giarbhoscaí athraithe agam. Ní go dtí gur úsáid mé giarbhosca phláinéid Raydafon gur thuig mé i ndáiríre cad a chiallaíonn sé a bheith saor ó imní! Ní raibh an trealamh a d'úsáid mé roimhe seo faoi chumhacht i gcónaí agus sadhlas á mheascadh, agus is minic a shleamhnaigh na giaranna. Ní raibh mé ag súil go mbeadh do ghiarbhosca pláinéadach chomh cumhachtach. Tá do tháirge i bhfad níos simplí a shuiteáil ná mar a cheap mé, agus tá sé éasca a choimeád ar bun freisin. An uair dheireanach a rinne mé cigireacht laethúil mé féin, fuair mé amach go raibh an giarbhosca séalaithe go han-mhaith agus nach raibh aon chomhartha de sceitheadh ola ar chor ar bith. Is cinnte go leanfaidh mé ag tacú leat sa todhchaí agus molaim thú do mo chairde feirm! ---- Mark Johnson
Seoladh
Limistéar Tionscail Luotuo, Ceantar Zhenhai, Cathair Ningbo, an tSín
Teil
R-phost


+86-574-87168065


Limistéar Tionscail Luotuo, Ceantar Zhenhai, Cathair Ningbo, an tSín
Cóipcheart © Raydafon Technology Group Co., Limited Gach ceart ar cosaint.
Links | Sitemap | RSS | XML | Beartas Príobháideachta |
