Táirgí
Sorcóir Tarraingthe Agus Ardaithe Le haghaidh Innealra Talmhaíochta
  • Sorcóir Tarraingthe Agus Ardaithe Le haghaidh Innealra TalmhaíochtaSorcóir Tarraingthe Agus Ardaithe Le haghaidh Innealra Talmhaíochta
  • Sorcóir Tarraingthe Agus Ardaithe Le haghaidh Innealra TalmhaíochtaSorcóir Tarraingthe Agus Ardaithe Le haghaidh Innealra Talmhaíochta

Sorcóir Tarraingthe Agus Ardaithe Le haghaidh Innealra Talmhaíochta

Mar mhonaróir seanbhunaithe atá fréamhaithe sa tSín, tá Raydafon tar éis sorcóirí tarraingthe agus ardaithe éifeachtach ó thaobh costais d'innealra talmhaíochta a thabhairt don earnáil talmhaíochta, ag brath ar a mhonarcha féin agus ar theicneolaíocht aibí. Leis an bpraghas réasúnta, tá sé ina sholáthraí iontaofa do go leor feirmeoirí agus comharchumainn innealra talmhaíochta. Tá an Sorcóir Tarraingthe Agus Ardaithe seo Le haghaidh Innealra Talmhaíochta brionnaithe le cruach cóimhiotail tiubhaithe agus neartaítear é le seacht bpróiseas múchta. Is féidir leis innealra talmhaíochta 3 tonna a ardú go héasca agus tá sé cumhachtach go leor chun trealamh treabhadh a ardú agus a ísliú nó leantóirí a luchtú agus a dhíluchtú. Le cáilíocht iontaofa agus seirbhís iar-díolacháin tuisceanach, tá sorcóirí tarraingthe agus ardaithe Raydafon le haghaidh innealra talmhaíochta ag cabhrú le táirgeadh talmhaíochta in áiteanna éagsúla oibriú go héifeachtach.

Towing And Lifting Cylinder For Agricultural Machinery

Gnéithe Táirge

Chruthaigh Raydafon, mar mhonaróir Síneach atá ag gabháil go domhain sa réimse hiodrálacha, Sorcóir Tarraingthe Agus Ardaithe Le haghaidh Innealra Talmhaíochta atá éifeachtach ó thaobh costais le ceardaíocht a máistrí mhonarcha féin. Le praghas réasúnta, tá sé ina sholáthraí iontaofa go leor feirmeacha agus monarchana innealra talmhaíochta. Tá an sorcóir seo deartha le haghaidh coinníollacha oibre casta i dtalamh feirme, agus déanann na trí bhuntáiste lárnacha oibríochtaí talmhaíochta níos éasca.


Cumhachtach agus durable, le friotaíocht iomlán ar bhrionnú: Tá Sorcóir Tarraingthe Agus Ardaithe Raydafon le haghaidh Innealra Talmhaíochta brionnaithe le cruach cóimhiotail de ghrád mianadóireachta, tá balla an sorcóra 30% níos tiús, agus tá sé casúrtha trí ocht bpróiseas múchta, le cruas atá inchomparáide le rianta iarnróid. Féadann sé 3.5 tonna innealra talmhaíochta a ardú go seasta, agus níl aon fhadhb ag treabhadh agus ag iompar trealaimh throm. Tá an dromchla brataithe le ceithre shraith sciath frith-chreimeadh. Tar éis dhá bhliain d'úsáid leanúnach i dtalamh saline-alcaile agus réimsí fliuch ríse, tá an comhlacht sorcóra fós chomh geal agus nua gan titim ola a sceitheadh.


Chomh cobhsaí le sliabh, solúbtha le feidhmiú: ceadaíonn an córas cothromaíochta hiodrálach dhá-bhealach bunaidh an Sorcóir Tarraingthe Agus Ardaithe Le haghaidh Innealra Talmhaíochta a ardú agus a ísliú go cruinn ar dhromanna cnapánacha. Spreagann an braiteoir brú ionsuite cosaint go huathoibríoch nuair a bhíonn sé ró-ualach agus stopann sé an gníomh laistigh de 0.3 soicind.


Saincheaptha ar éileamh, iar-díolacháin gan imní: Tacaíonn sé le saincheaptha iomlán a dhéanamh ar shuíomh an chalafoirt ola agus fad stróc, agus is féidir é a oiriúnú do shean-mhúnlaí agus innealra talmhaíochta allmhairithe. Ní gá ach cúpla scriúnna a cheangal leis an suiteáil, agus is féidir le gnáthoibreoirí innealra talmhaíochta é a dhéanamh de réir na dtreoracha. Rith ISO 9001 agus deimhniú dé-tionscal innealra talmhaíochta, agus d'fhreagair laistigh de 24 uair an chloig má tá fadhb ann. Is "cúntóir crua-lárnach" é táirge Raydafon chun costais a laghdú agus éifeachtúlacht a mhéadú i dtáirgeadh talmhaíochta.

Towing And Lifting Cylinder For Agricultural Machinery


Feidhmchlár Táirge

In oibríochtaí treabhadh, is iad na sorcóirí tarraingthe agus ardaithe d'innealra talmhaíochta an "cumhacht" de threalamh treabhadh. Caithfidh an céachta cúlaithe a tharraingíonn an tarracóir doimhneacht treá na hithreach a choigeartú go minic. Is féidir leis an sorcóir ola a tháirgtear ag Raydafon an corp céachta a ardú agus a ísliú go tapa agus go cruinn, agus féadann sé fórsa a chur i bhfeidhm go cobhsaí freisin nuair a bhíonn sé ag teacht ar bhlocanna ithreacha crua, ag cinntiú doimhneacht treabhadh aonfhoirmeach agus ag feabhsú go mór éifeachtacht treabhadh. Tá sé fíor-riachtanach freisin sa phróiseas cur. Ar an síoladóir, rialaíonn an sorcóir ola ardú agus ísliú an mhéadair síolta agus brú an roth brú. Nuair a bhíonn sé ag cur, ligeann an sorcóir ola don roth brú an ithir a dhlúthú le fórsa cuí chun dlúth-theagmháil a chinntiú idir na síolta agus an ithir agus an ráta teacht chun cinn a fheabhsú; nuair a bhíonn ceapacha á n-aistriú, féadann sé an méadar síolta a ardú go tapa chun gluaiseacht an mheaisín a éascú.


Sa chéim bainte, tá ról lárnach ag an sorcóir tarraingthe agus ardaithe d'innealra talmhaíochta ar an gcomhbhuainteoir. Tar éis don bhosca gráin a bheith iomlán, ní mór duit ach an sorcóir ola a oibriú chun an bosca gráin a ardú go héasca agus an gráin a dhíluchtú go tapa ar an bhfeithicil iompair. Tá an próiseas iomlán réidh agus coigilte saothair. Ina theannta sin, nuair a bhíonn barra tite á mbaint, is féidir leis an sorcóir ola airde an chinn a choigeartú go solúbtha freisin chun fómhar réidh a chinntiú. Ina theannta sin, ar threalamh iompair talmhaíochta, mar shampla trucailí dumpála talmhaíochta, rialaíonn an sorcóir ola ardú agus ísliú an bhuicéad. Is féidir an buicéad a líonadh le tuí agus leasachán a chlaonadh agus a dhíluchtú go huathoibríoch tríd an sorcóir ola a bhrú, atá arís agus arís eile níos éifeachtaí ná láimhseáil láimhe. Mar sholáthraí a sheolann go díreach ón monarcha, soláthraíonn Raydafon táirgí inacmhainne agus marthanacha d'fheirmeoirí agus do chuideachtaí innealra talmhaíochta trí tháirgeadh ar scála mór, ag cuidiú le gach céim de tháirgeadh talmhaíochta.

Towing And Lifting Cylinder For Agricultural Machinery


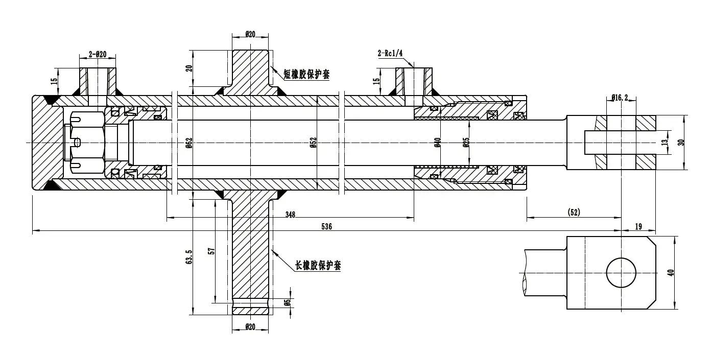
Paraiméadar Táirge:

Múnla sorcóir Sonraíochtaí Brú oibre Uasmhéid sheasamh brú Turas Fad suiteála Meáchan
HCYY11112017 40×25×348 16.7MPa 24.5MPa 348 536 6 kg

Towing And Lifting Cylinder For Agricultural Machinery



Hot Tags: Sorcóir Tarraingthe Agus Ardaithe Le haghaidh Innealra Talmhaíochta
Seol Fiosrúchán
Eolas teagmhála
Le haghaidh fiosrúcháin faoi sorcóirí hiodrálacha, giarbhoscaí, seaftaí PTO nó liosta praghsanna, fág do r-phost chugainn agus beimid i dteagmháil linn laistigh de 24 uair an chloig.
X
Úsáidimid fianáin chun eispéireas brabhsála níos fearr a thairiscint duit, chun anailís a dhéanamh ar thrácht an tsuímh agus chun inneachar a phearsantú. Trí úsáid a bhaint as an suíomh seo, aontaíonn tú lenár n-úsáid a bhaint as fianáin. Beartas Príobháideachta
Diúltaigh Glac