Cód QR
Táirgí
Glaoigh orainn


Facs
+86-574-87168065

R-phost

Seoladh
Limistéar Tionscail Luotuo, Ceantar Zhenhai, Cathair Ningbo, an tSín
Má tá tú ag déileáil le hinnealra cosúil le caidéil a bhogann sreabhán ar feadh an lae, lucht leanúna a choinníonn spásanna aeráilte, nó trealamh teicstíle a ritheann gan stad - tá cúpláil uait atá solúbtha go leor chun mí-ailínithe beaga a láimhseáil ach atá dian go leor chun an chasmhóimint a choinneáil ag gluaiseacht go seasta. Sin é go díreach a bhfuil Cúpláil Solúbtha Gear níolón Cineál NL Raydafon tógtha dó. Láimhseálann sé suas le 4mm de mhí-ailíniú aiseach agus 2 chéim de mhí-ailíniú uilleach, mar sin fiú nuair nach bhfuil do seafta líneáilte go foirfe, coinníonn sé do ghléas ag rith gan bac.
Tá samhlacha againn ó NL1 an bealach ar fad go NL10, agus mar sin tá feiliúnach ann do bheagnach aon phost éadrom go meándleacht. Tá toilleadh an chasmhóiminte idir 40 N·m agus 3150 N·m, agus téann trastomhais tollta ó 6mm go 100mm – ní gá dul sa tóir ar mhéid atá ró-mhór nó róbheag. Is é an rud a fhágann go seasann an cúpláil solúbtha fearas níolóin seo amach ná a thógáil: muinchille níolón ard-láidre péireáilte le moil chruach. Ciallaíonn an teaglama sin go n-imíonn sé ciúin, agus is ar éigean go gcaithfidh tú teagmháil a dhéanamh leis le haghaidh cothabhála - gan aon seiceálacha nó réitigh leanúnacha chun tú a mhoilliú. Is bealach é le haghaidh cúpláin fearas solúbtha le haghaidh innealra tionsclaíoch, agus má tá tú ag obair go sonrach le caidéil, tá sé ar cheann de na cúpláin fearas muinchille níolón is iontaofa le haghaidh caidéil timpeall. Ina theannta sin, luíonn a dhearadh dlúth isteach i socruithe daingean, agus oibríonn sé go réidh idir -20 ° C agus +70 ° C - is cuma má tá do spás oibre fuar nó te.
Ag Raydafon, déanaimid na cúpláin seo sa tSín, agus cloíonn muid go docht le caighdeáin ISO 9001 - déantar gach cuid a sheiceáil chun a chinntiú go bhfuil sé buan agus réidh le maireachtáil. Ní hamháin go bhfuil an muinchille níolón láidir, tá sé neamhsheoltach agus resistant creimeadh freisin. Is athrú cluiche é sin do spásanna tais nó limistéir le ceimiceáin, ina bhféadfadh cúpláin eile meirge nó gearr amach - leanann an ceann seo ag dul níos faide. Agus déanann a struchtúr simplí a thionól agus a dhíchóimeáil a Breeze: gan aon uirlisí casta, ach obair thapa nuair is gá duit a mhalartú nó cothabháil a dhéanamh. Sin an fáth gur rogha iontach é do chúpláin fearas níolón saincheaptha - is féidir linn é a athrú chun do shocrú sonrach a fheistiú - agus tá sé ar cheann de na cúpláin fearas solúbtha is marthanaí do threalamh teicstíle, ag coinneáil suas le gluaiseacht leanúnach na meaisíní fíodóireachta nó sníomh.
Cuirimid gach cineál méideanna agus cumraíochtaí seafta ar fáil, mar sin gheobhaidh tú cúpláil atá oiriúnaithe do d'innealra - ní rogha aon-mhéide-níl aon cheann é. Agus coinnímid an praghas iomaíoch, mar sin ní gá duit róchaiteachas a dhéanamh ar cháilíocht. Do ghnólachtaí ar fud an domhain, ciallaíonn sé seo níos lú aga neamhfhónaimh (toisc go bhfuil sé éasca é a shuiteáil agus a chothabháil) agus éifeachtúlacht trealaimh níos fearr - go díreach an méid a theastaíonn uait chun oibríochtaí a choinneáil ag rith go réidh.
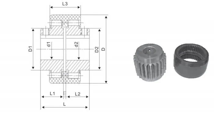
Braitheann loighic lárnach oibre cúplála solúbtha fearas níolón cineál NL ar na fiacla fearas meshing chun tarchur chasmhóiminte a bhaint amach, agus ní féidir leis an muinchille níolón taobh istigh, mar phríomh-chomhpháirt solúbtha, cúiteamh éifeachtach a dhéanamh ar mhí-ailíniú an chórais seafta ach freisin tá ról tábhachtach aige maidir le turraingí a ionsú. Sa dearadh struchtúrach seo, tá dhá mhoil le fiacla seachtracha ceangailte trí muinchille fearas inmheánach níolón ionsuite. Ní hamháin go n-áirithíonn an teaglaim seo tarchur cumhachta éifeachtach i gcórais mheicniúla ach laghdaítear go suntasach freisin creathadh agus tionchar a ghintear le linn oibriú. Tá an buntáiste dearaidh seo le feiceáil go háirithe i gcásanna iarratais ar chúpláin solúbtha fearas níolón cineál NL a chaithfear a oiriúnú do threalamh beag agus meánmhéide.
Nuair a tharchuireann an seafta tiomána an chasmhóimint chuig ceann de na moil, déanfaidh na fiacla seachtracha ar an mol mogalra go cruinn le fiacla inmheánacha an muinchille fearas inmheánach níolón, agus ansin déanfaidh an muinchille fearas inmheánach níolón cumhacht a tharchur go réidh chuig an mol eile atá ceangailte leis an seafta tiomáinte. Fiú amháin faoi choinníollacha oibre ina bhfuil mí-ailíniú uilleach, comhthreomhar nó aiseach sa chóras seafta, is féidir leis an meicníocht tarchurtha meshing seo oibriú cobhsaí an trealaimh a chinntiú go fóill. Dá bhrí sin, i réimsí ina bhfuil gá le réitigh solúbtha cúplála fearas iontaofa, mar shampla córais tarchurtha línte táirgeachta uathoibrithe, nasc cumhachta trealaimh caidéil agus feistí tiomána iompróirí, is táirge tosaíochta é cúpláil solúbtha fearas níolón cineál NL.
Tá airíonna leaisteachas agus taise den scoth ag an ábhar níolón a úsáidtear sa chúpláil solúbtha fearas níolón cineál NL féin, rud nach féidir ní hamháin caitheamh an trealaimh mheicniúil a bhaineann leis a laghdú ach freisin saol seirbhíse an chórais tarchurtha ar fad a leathnú. Mar mhonaróir cúplála fearas gairmiúil, roghnaíonn Raydafon ábhair chun cinn agus déanann sé an próiseas déantúsaíochta a bharrfheabhsú nuair a bhíonn cúpláin cineál NL á dtáirgeadh, rud a chuireann ar chumas na dtáirgí feidhmíocht den scoth a choinneáil faoi choinníollacha oibre casta i dtionscail éagsúla. Mar shampla, i gcásanna ina ndéileáiltear le hualaí athraitheacha, is féidir le cúpláil solúbtha fearas níolón de chineál NL arna tháirgeadh ag Raydafon a bheith ag brath ar a chumas cúitimh mí-ailínithe den scoth chun teipeanna tarchurtha de bharr mí-ailíniú an chórais seafta a sheachaint agus chun aga neamhfhónaimh trealaimh a laghdú.
D'fhonn cúpláil solúbtha fearas níolón cineál NL a choimeád ar bun éifeachtacht oibre cobhsaí, tá cothabháil laethúil riachtanach, ina measc tá lubrication rialta ar na codanna fiacail fearas mar phríomhnasc. Is féidir le lubrication réasúnta caillteanas cuimilte a laghdú le linn meshing fiacail fearas, cobhsaíocht oibríochta an chúplála a fheabhsú tuilleadh agus an dóchúlacht go dtarlóidh teipeanna a laghdú. Go ginearálta, is é prionsabal oibre an chúplála solúbtha fearas níolón cineál NL ná tarchur chasmhóiminte láidir a bhaint amach agus solúbthacht agus cobhsaíocht an chórais tarchurtha á gcur san áireamh trí éifeacht sineirgisteacha an mhol docht agus an muinchille solúbtha níolón. Mar sholáthraí cúplála fearas a bhfuil taithí acu, rialaíonn Raydafon beachtas agus iontaofacht an táirge i gcaighdeáin dhian i gcónaí chun a chinntiú go soláthraíonn siad táirgí cúplála solúbtha fearas níolón cineál NL do chustaiméirí i dtionscail éagsúla a bhfuil inoiriúnaitheacht láidir agus marthanacht ard acu.
Déantar an Cúpláil Solúbtha Gear níolón Cineál NL a innealtóireacht go sonrach le haghaidh feidhmeanna ardfheidhmíochta i gcásanna meicniúla éilitheacha. Cinntíonn sé tarchur cumhachta cobhsaí agus é ag freastal go solúbtha ar mhí-ailínithe seafta, rud a fhágann gur rogha an-iomaíoch é i gcatagóir na gcúplaí fearas muinchille níolón. Is é príomh-bhuaicphointe dearaidh an chúplála seo ná a muinchille níolón ard-neart, rud a fhágann ní hamháin cumas dífhoirmithe leaisteach den scoth don chúpláil ach a chuireann go mór le marthanacht an struchtúir iomláin. Fágann sin go bhfuil sé oiriúnach go háirithe mar chomhpháirt cúplála fearas muinchille níolón solúbtha ríthábhachtach i dtrealamh tionsclaíoch a oibríonn ar feadh tréimhsí fada.
Maidir le cumas tarchurtha an chasmhóiminte, seachadann Cúpláil Solúbtha Gear níolón Cineál NL feidhmíocht den scoth, ag láimhseáil riachtanais ualaigh ard-chasmhóiminte go héasca. Cibé acu in uirlisí meaisín tromshaothair, innealra mianadóireachta, nó trealamh iompair ar scála mór - a éilíonn ard-iontaofacht i dtarchur cumhachta - oibríonn sé go cobhsaí, ag bunú é féin mar mhúnla cúplála fearas níolón ard-chasmhóiminte roghnaithe do go leor coinníollacha oibre ard-chasmhóiminte. Agus aghaidh á tabhairt ar an tsaincheist choitianta a bhaineann le mí-ailíniú seafta le linn oibriú meicniúil, léiríonn an cúpláil fearas níolón solúbtha seo inoiriúnaitheacht den scoth. Féadann sé mí-ailíniú uilleach, mí-ailíniú comhthreomhar, agus mí-ailíniú aiseach a ionsú agus a chúiteamh go héifeachtach, rud a laghdóidh go mór an strus breise ar na seaftaí nasctha agus cuidiú le saol seirbhíse an chórais tarchurtha ar fad a leathnú. Tá an ghné seo ríthábhachtach go háirithe maidir le trealamh táirgeachta a éilíonn oibriú leanúnach fadtéarmach.
Ina theannta sin, tá ionsú turraing sármhaith agus airíonna maolánacha ag ábhar níolón an Chineál NL Cúplála Solúbtha Gear níolón. Le linn oibriú trealaimh, féadann sé tionchar na gcreathadh agus na turraingí a laghdú go héifeachtach, rud a chinnteoidh oibriú níos rianúla an chórais tarchurtha. Mar thoradh air sin, i ndálaí oibre dinimiciúla le creathadh minic, is é an réiteach cúplála fearas níolón is fearr le haghaidh ionsú turrainge do go leor fiontar. I dtéarmaí friotaíocht creimeadh, chomh maith le friotaíocht creimeadh ceimiceach den scoth an sleeve níolón, déantar cóireáil speisialta ar chomhpháirteanna miotail an chúplála seo, rud a chuireann ar chumas oibriú cobhsaí i dtimpeallachtaí tais, deannaigh nó beagán creimneach. I gcomparáid le cúpláin dochta traidisiúnta, taispeánann sé inoiriúnaitheacht níos láidre i gcoinníollacha oibre crua, ag comhlíonadh go hiomlán riachtanais na hearnála tionsclaíochta maidir le cúpláin fearas níolón marthanach.
Ó thaobh na hoibríochta agus na cothabhála, glacann Cúpláil Solúbtha Gear níolón Cineál NL dearadh saor ó chothabháil. Cuireann sé deireadh leis an ngá atá le breisiú nó coigeartuithe bealaithe go minic, rud a laghdaíonn ní hamháin an t-ualach oibre cothabhála laethúil ach freisin a íslíonn an baol teipeanna trealaimh de bharr cothabhála míchuí. Rialaíonn sé seo go héifeachtach costais oibriúcháin agus aga neamhfhónaimh, ag ailíniú go foirfe le critéir roghnúcháin na dtionscal atá sa tóir ar tháirgeadh éifeachtach agus íseal-ídiú le haghaidh cúpláin fearas solúbtha ar chothabháil íseal. Idir an dá linn, tá a struchtúr foriomlán lightweight agus dlúth, éascaíonn suiteáil simplí agus tapa agus disassembly. Fiú amháin i leagan amach trealaimh le spás teoranta, is féidir tionól an chúplála fearas níolón dlúth seo a chomhlánú go héasca, ag feabhsú éifeachtúlacht suiteála agus cothabhála trealaimh a thuilleadh.
Go hachomair, soláthraíonn comhtháthú Cúplála Solúbtha Gear níolón Cineál NL isteach i gcóras tarchurtha tacaíocht oibriúcháin níos cobhsaí agus níos éifeachtaí do threalamh. Go háirithe i réimse na déantúsaíochta beachtas, áit a bhfuil gá le tarchur ardchruinneas, comhlíonann an cúpláil fearas muinchille níolón ardfheidhmíochta seo - lena dhearadh optamaithe - na héilimh iolracha maidir le cruinneas tarchuir, iontaofacht agus inoiriúnaitheacht, agus feidhmíonn sé mar chomhpháirt ríthábhachtach chun feidhmíocht iomlán an trealaimh a fheabhsú.
Feidhmíonn Cúpláil Solúbtha Gear níolón Cineál NL mar chuid tarchurtha téigh go dtí gach cineál socruithe meicniúla a dteastaíonn aistriú cumhachta seasta uathu. Is é an rud a fhágann go seasann sé an muinchille níolón - lúbann sé díreach i gceart chun creathadh a mhúscailt agus mí-ailínithe seafta beaga a shocrú, agus mar sin tá sé foirfe d'úsáid cúplála fearas nuair is gá duit gluaiseacht iontaofa chasmhóiminte gan páirteanna a bheith caite amach ró-thapa.
Tóg innealra tionsclaíoch, mar shampla. Tá an cúpláil seo iontach chun mótair a cheangal le caidéil nó comhbhrúiteoirí. Nuair a ritheann na meaisíní sin, is minic a sheolann siad ualaí turrainge tobann tríd an gcóras, ach maolaíonn Cúpláil Solúbtha Gear níolón Cineál NL an tionchar sin, ag cuidiú leis an socrú iomlán a bheith níos faide. Agus ar línte iompair - tá a fhios agat, na cinn a bhogann ábhair gan stad i monarchana - coinníonn an cúpláil fearas muinchille níolón tionsclaíoch seo rudaí ag rith go réidh fiú nuair a athraíonn an t-ualach. Murab ionann agus seanchúpláin dochta a bhriseann síos go minic, gearrann an ceann seo síos ar aga neamhfhónaimh agus an t-airgead a chaitheann tú ag réiteach rudaí.
Úsáideann saol na ngluaisteán agus an iompair é freisin, go háirithe le haghaidh seaftaí tiomána agus páirteanna stiúrtha. Caithfidh gluaisteáin agus trucailí déileáil le go leor creathadh casta nuair a bhogann siad, ach cuireann an cúpláil fearas solúbtha seo le haghaidh tiomántán feithicleach iad siúd in airde. Ní hamháin go n-imíonn an fheithicil níos fearr ach go n-imíonn sé níos sábháilte freisin—ní dhéanfaidh aon chroitheadh aisteach an stiúradh nó an traein tiomána a chaitheamh síos.
Nuair a bhaineann sé le húsáidí cúplála fearas beachtas, cosúil le meaisíní CNC nó robots tionsclaíocha, tá an cúpláil seo ag taitneamh i ndáiríre. Casann na meaisíní sin go tapa agus teastaíonn gluaiseacht shárchruinn uathu, ach féadann fiú mí-ailínithe seafta beaga (cosúil le huillinneacha nó sealanna comhthreomhara) rudaí a chur amú. Socraíonn Cúpláil Solúbtha Gear níolón Cineál NL na saincheisteanna sin agus iad ag coinneáil suas le luasanna ard. Sin an fáth a lorgaíonn an oiread sin cuideachtaí a thógann línte cóimeála uathoibrithe an cúpláil fearas níolón seo le haghaidh trealamh cruinneas CNC nuair a bhíonn socruithe saincheaptha de dhíth orthu.
Gheobhaidh tú é freisin i gcórais HVAC agus in ionaid chóireála uisce. Úsáideann na háiteanna sin lucht leanúna agus séidirí go leor, agus má chreathadh na codanna sin an iomarca, éiríonn siad glórach agus briseann siad síos. Coinníonn an cúpláil fearas solúbtha tonnchrith seo do lucht leanúna HVAC an torann síos agus an trealamh ag rith go seasta - ní stopann sé gan choinne i bpróisis teasa/fuaraithe nó cóireála uisce.
Ar an iomlán, is rogha buiséad-chairdiúil é Cúpláil Solúbtha Gear níolón Cineál NL do beagnach aon tionscal. Tá sé diana, éasca le suiteáil, agus déantar an post. Má tá tú ag lorg soláthróir cúplála fearas tionsclaíoch iontaofa, is féidir le Raydafon tú a cheangal le roghanna saincheaptha a oireann do do riachtanais chruinne - ionas go bhfaighidh tú an fheidhmíocht is fearr agus cuid fhadtéarmach.
⭐⭐⭐⭐⭐ Wang Lei, Innealtóir Meicniúla, Guangzhou Machinery Co., Ltd.
Tá Cúpláil Solúbtha Gear níolón Cineál NL Raydafon ar ár línte tionóil le tamall anuas anois, agus tá sé ina thaibheoir seasta - ar bhealach níos iontaofa ná cuid de na cúpláin eile a rinneamar iarracht. Is é an dearadh fearas níolón an seasamh amach anseo: bogann sé an chasmhóimint go réidh, ní aistrítear aon jerky, agus gearrann sé síos ar chreathadh an oiread sin gur féidir leat an difríocht a insint i ndáiríre maidir le conas a ritheann na meaisíní.
Bhí suiteáil Breeze iomlán, freisin. Níl mórán spáis bhreise againn inár dtrealamh, ach tá an cúpláil seo oiriúnach go foirfe as an mbosca - ní gá aon rud a mhodhnú. Tá sé ag rith gan stad, agus is ar éigean go bhfuil aon chomhartha caitheamh ann; ciallaíonn an mharthanacht sin nach bhfuilimid ag stopadh den táirgeadh chun é a dheisiú nó a athsholáthar chomh minic. Ar an iomlán, is rogha láidir, cost-éifeachtach é a dhéanann go díreach cad a theastaíonn uainn.
⭐⭐⭐⭐⭐ John Smith, Bainisteoir Gléasra, Chicago Industrial Solutions, SAM
Mhalartaigh muid ár seanchúpláil miotail le haghaidh NL Type Nylon Gear amháin ag ár n-áis i Chicago, agus bhí an t-athrú oíche agus lá - d'fhéadfá a bhraitheann gurb é an dara ceann a scaoileamar suas na meaisíní. An tonnchrith a bhíodh chun páirteanna a chreathadh scaoilte? Imithe. An hum glórach ón tseanchúpláil? Mothaíonn an t-urlár níos ciúine agus níos ciúine. Agus aistriú cumhachta? Go réidh agus is féidir, fiú nuair a bhíonn ualaí troma á rith againn.
Ina theannta sin, láimhseálann sé mí-ailíniú i bhfad níos fearr ná an ceann miotail a rinne riamh - gan é a athrú níos mó gach seachtain chun rudaí a choinneáil ar an mbóthar. Fuair Raydafon go tapa dúinn é freisin; bhí an seachadadh ceart de réir an sceidil, agus scoth na cáilíochta - gan aon pháirteanna saor nó obair shoddy. D'inis mé do chúpla bainisteoir plandaí eile faoi; is é seo an cineál táirge a bhfuil tú ag iarraidh an focal a chur ar aghaidh faoi.
⭐⭐⭐⭐⭐ Anna Müller, Maoirseoir Cothabhála, Innealtóireacht München, an Ghearmáin
Chuireamar cúpláil Cineál NL Raydafon inár n-innealra ardluais cúpla mí ar ais, agus is athróir cluiche é dár bhfoireann. Is glao cliste é an t-ábhar fearas níolón - ní chaitheann sé síos chomh tapa le miotail, mar sin nílimid ag athsholáthar páirteanna chomh minic, agus tá sé i bhfad níos ciúine. Seans gur beag an rud é, ach ciallaíonn siopa níos ciúine níos lú tuirse don fhoireann, agus níos lú seachráin nuair a bhíonn trealamh á sheiceáil againn.
Tá sé solúbtha go leor chun na hathruithe beaga a thagann le rith ardluais a láimhseáil, ach fós láidir go leor chun seasamh faoi bhrú - gan lúbadh nó briseadh. Bhí suiteáil simplí, freisin; chuir ár techs é ar bun laistigh de uair an chloig, gan aon treoracha casta. Tá i bhfad níos lú stopanna meaisín curtha againn ó shuiteáil muid é, agus ritheann gach rud níos míne. Tá sé cruthaithe ag Raydafon gur soláthraí iad ar féidir linn brath orthu - gan aon iontas, díreach táirgí maithe.
⭐⭐⭐⭐⭐ Carlos Martínez, Stiúrthóir Oibríochtaí, Madrid Manufacturing Corp., An Spáinn
Is é Cúpláil Solúbtha Gear níolón Cineál NL Raydafon go díreach an táirge ardchaighdeáin a bhí á lorg againn. Chuireamar lenár líne táirgeachta é ag súil le laghdú ar chreathadh agus éifeachtúlacht a threisiú - agus rinne sé seachadadh ar an dá chúis, níor cuireadh aon cheist. Tugann an trealamh níolón ach an méid ceart solúbthachta chun rudaí a choinneáil ag rith go réidh, ach ní íobairt neart - fiú nuair a bhíonn muid ag brú ar an líne chun spriocdhátaí teann a chomhlíonadh.
Tá sé dlúth, freisin, rud is buntáiste mór dár socrú; níl mórán spáis breise againn, agus luíonn an cúpláil seo go díreach gan páirteanna eile a phlódú. Táimid ag baint úsáide as le míonna anois, agus ní raibh aon saincheisteanna - gan aon miondealuithe, gan aon torann aisteach, ach feidhmíocht chomhsheasmhach. Idir an táirge féin agus an tseirbhís iontach a fuair muid ó Raydafon, táimid thar a bheith sásta. Is coimeádaí é seo.
Seoladh
Limistéar Tionscail Luotuo, Ceantar Zhenhai, Cathair Ningbo, an tSín
Teil
R-phost


+86-574-87168065


Limistéar Tionscail Luotuo, Ceantar Zhenhai, Cathair Ningbo, an tSín
Cóipcheart © Raydafon Technology Group Co., Limited Gach ceart ar cosaint.
Links | Sitemap | RSS | XML | Beartas Príobháideachta |
