Cód QR
Táirgí
Glaoigh orainn


Facs
+86-574-87168065

R-phost

Seoladh
Limistéar Tionscail Luotuo, Ceantar Zhenhai, Cathair Ningbo, an tSín
Cumhacht "rás sealaíochta": Tá an Giarbhosca Meascthóir Beatha cosúil le "captaen sealaíochta" le haghaidh tarchur cumhachta. Tar éis an mótar a thosú, aistrítear an chumhacht ar dtús chuig seafta ionchuir an ghiarbhosca, agus ansin déantar "athrú luais" a bhaint amach trí mheshing grúpa giaranna de mhéideanna éagsúla sa bhosca. Mar shampla, má rothlaíonn an seafta ionchuir 1000 uair in aghaidh an nóiméid, ní fhéadfaidh an seafta aschuir a rothlú ach 100 uair tar éis tarchur an ghrúpa fearas, ach tá an chasmhóimint feabhsaithe go mór. Tarchuirtear an chumhacht láidir seo chuig an seafta mheascadh ansin, rud a ligeann do na lanna meascáin an beathú a mhúscailt go tapa, ag déileáil go héasca le "earraí crua" cosúil le foráiste ard-snáithín.
Meshing beacht, caillteanas laghdaithe: Ní dhéantar na giaranna sa ghiarbhosca a mheaitseáil go randamach. Tá cruth fiacail ag na giaranna a tháirgtear ag Raydafon atá ríomh agus próiseáilte go beacht, agus oiriúnach go docht nuair a bhíonn siad ag meshing, cosúil le dhá phíosa bhfreagra a luíonn go foirfe le chéile. Ar an mbealach seo, tá an-beag frithchuimilte le linn tarchur cumhachta, caillteanas fuinnimh níos lú, agus is féidir an chuid is mó de na cumhachta a úsáid le haghaidh mheascadh. Tá sé cosúil le "croílár coigilte fuinnimh" a shuiteáil ar an meascthóir beatha, rud a fhágann go mbeidh an obair níos fuinniúla gan fuinneamh a chur amú.
Coigeartú solúbtha chun freastal ar riachtanais: Éilíonn fothaí éagsúla agus méideanna meascáin éagsúla luasanna éagsúla. Is í áilleacht an Bosca Giarbhosca Feed Meascthóir gur féidir é a choigeartú go solúbtha. Trí chomhcheangal na tacair fearas a athrú, is féidir cóimheasa luais éagsúla a bhaint amach chun freastal ar riachtanais éagsúla. Más mian leat sadhlas a mheascadh agus díriú go tapa, cuir leis an luas; más mian leat amhábhair leochaileacha a láimhseáil, an luas a ísliú agus a mheascadh go mall, agus is féidir le giarbhosca é a dhéanamh go léir.
Tacaíocht agus marthanacht cobhsaí: Tá comhlacht an ghiarbhosca comhionann le "caomhnóir" an chórais tarchurtha ar fad. Is féidir le hábhar iarann teilgthe ard-neart, láidir agus turraing-resistant, tacú go cobhsaí leis na giaranna agus na himthacaí inmheánacha. Tá na imthacaí inmheánacha lubricated go speisialta le haghaidh rothlú réidh agus caitheamh laghdaithe. Fiú má ghintear vibrations le linn mheascadh beatha, is féidir leis an giarbhosca rannpháirtíocht chobhsaí na giaranna a chinntiú, cumhacht cobhsaí a aschur go leanúnach, agus saol iomlán na seirbhíse a leathnú.
Tá tástáil dhian ar phróiseas táirgthe táirgí Raydafon agus is féidir é a oibriú go hiomlán tar éis a shuiteáil iarbhír. Nuair a roghnaíonn tú ár gcuid táirgí ciallaíonn sé go bhfuil suaimhneas intinne roghnaithe agat.
| Cóimheas | Ionchur r.p.m |
Cumhacht Ionchuir | Aschur | Múnla | Tuairimí | |
| Kw | HP | Nm | ||||
| 16.1:1 | 540 | 44.7 | 60 | 11600 | G1-0314 |
|
| 19.4:1 | 540 | 26.1 | 35 | 8600 | G1-0514 |
|
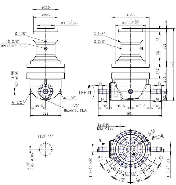
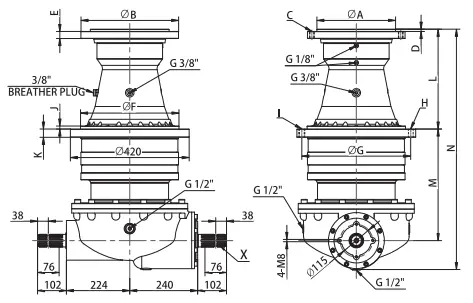
| Uimhir | A | B | C | D | E | F | G | H | 1 | J | K | L | M | N | ||||||||||||||||||
| 1 | ⌀ 200 h7 | ⌀278 | 12- M16 EQS⌀245 | 15 | 25 | 280 f7 | ⌀380 | 12- M16 |
|
26 | 30 | 353 | 300 | 785 | ||||||||||||||||||
| 2 | ⌀ 200 h7 | ⌀278 | 12- M16 EQS⌀245 | 15 | 25 | 280 f7 | ⌀380 | 12- M16 |
|
26 | 30 | 353 | 402.5 | 857.5 | ||||||||||||||||||
| 3 | 278 h8 | ⌀345 | 15- M16 EQS⌀314 | 8 | 25 | 348 h8 | ⌀385 | 12-⌀17 | 2- M18 | 10.5 | 29 | 351 | 321.5 | 774.5 | ||||||||||||||||||
| 4 | 278 h8 | ⌀345 | 15- M16 EQS⌀314 | 8 | 25 | 348 h8 | ⌀385 | 12-⌀17 | 2- M18 | 10.5 | 29 | 351 | 394 | 847 | ||||||||||||||||||
| 5 | ⌀ 154.8 h8 | ⌀250 | 12- M20*1.5 EQS⌀205 | 12 | 39 | 348 h8 | ⌀385 | 12-⌀17 | 2- M18 | 10.5 | 29 | 354.5 | 321.5 | 778 | ||||||||||||||||||
| Cóimheas | lnchur r.p.m |
Cumhacht Ionchuir | Aschur Nm |
Seafta Ionchuir | Tuairimí | |||||||||||||||||||||||||||
| kW | HP | |||||||||||||||||||||||||||||||
| 13.4:1 | 540 | 85.8 | 115 | 17984 | X |
|
||||||||||||||||||||||||||
| 14.6:1 | 540 | 70.8 | 95 | 16187 | X |
|
||||||||||||||||||||||||||
| 16.1:1 | 540 | 63.4 | 85 | 15971 | X |
|
||||||||||||||||||||||||||
| 18.2:1 | 540 | 44.7 | 60 | 12744 | X |
|
||||||||||||||||||||||||||
| 21.1:1 | 540 | 37.3 | 50 | 12312 | X |
|
||||||||||||||||||||||||||
| 25.9:1 | 1000 | 82 | 110 | 17954 | X |
|
||||||||||||||||||||||||||
| 28.3:1 | 1000 | 67.1 | 90 | 16051 | X |
|
||||||||||||||||||||||||||
Tá "comhlacht" cruach sár-mharthanach: Tá an giarbhosca seo déanta as iarann teilgthe ard-neart tiubhaithe, agus tá an bosca iomlán chomh láidir le blaosc umar. Cibé an timpeallacht tais é nuair a bhíonn sadhlas á mheascadh nó an tonnchrith foréigneach a dhéantar de bharr beatha millíní a láimhseáil, is féidir leis a sheasamh go seasta. Tá na giaranna inmheánacha carburraithe agus múchta, agus tá cruas dromchla an fhiacail chomh hard le HRC58. Tá an friotaíocht caitheamh 3 huaire níos láidre ná na gnáthghiaranna. Tá sé in úsáid go leanúnach ar feadh cúig nó sé bliana i bhfeirmeacha deannaigh agus luchtaithe trom, agus tá an fheidhmíocht fós "ar líne", agus is beag an líon deisiúcháin.
Tarchur cumhachta "nialas dramhaíola": Tá an dearadh lán le hintleacht! Sroicheann cruinneas meshing fearas an leibhéal gruaige, agus tá an éifeachtacht tarchurtha cumhachta níos mó ná 95%. D'fhéadfadh go mbeadh go leor cumhachta ag giarbhoscaí eile "sleamhnú ar shiúl" le linn a mheascadh, ach is féidir lenár mBosca Giarbhosca Meascthóir Beatha do TMR Meascthóir EP RMG úsáid a bhaint as cumhacht uile an mhótair ar an lann. Chun an meascán céanna de 5 tonna beathaithe, is féidir úsáid a bhaint as ár mbosca giarbhosca 15 nóiméad níos tapúla agus 20% de bhillí leictreachais a shábháil, rud a shábháil fíor-airgead d'fheirmeoirí.
Tá "inoiriúnaitheacht uilíoch" saor ó imní iontach: Cibé an meascthóir simplí é i bhfeirm bheag nó trealamh ollmhór i monarcha beatha mór, is féidir an giarbhosca seo a nascadh gan uaim. Is féidir an cóimheas luais a choigeartú go saor ó 2:1 go 15:1, agus is féidir garbh, beathú comhchruinnithe, agus beatha mheasctha a mheascadh mar is mian leat. Tá an suiteáil éasca freisin, agus ní gá athruithe móra a dhéanamh ar an trealamh. Is féidir le gnáthoibrithe é a dhéanamh i leath uair an chloig de réir na dtreoracha, atá oiriúnach go háirithe d'fheirmeoirí atá i Hurry. Tá "cosaint Chliste" thar a bheith tuisceanach: Tá feiste cosanta ró-ualaithe ionsuite ag an mbosca giarbhosca. Nuair a bhíonn an t-ualach meascáin ró-mhór, beidh sé "stop" go huathoibríoch chun damáiste do na giaranna a sheachaint, rud a chosnaíonn ní hamháin an meaisín ach freisin cosc a chur ar thimpistí sábháilteachta. Thairis sin, tá an dearadh struchtúrach réasúnta. Is féidir leat imthacaí a athrú nó fearas a dheisiú tríd an mbosca a oscailt. Níl sé chomh trioblóideach le "bábóg na Rúise" a dhíchóimeáil. Giorraítear an t-am downt agus an t-am cothabhála go mór, ag cinntiú nach stopann an táirgeadh feirme.
Mar chustaiméir thar lear, ba mhaith liom buíochas a ghabháil le Raydafon! Tá do ghiarbhosca meascthóir beatha i ndáiríre éasca le húsáid. Ó suiteáladh é, tá an trealamh ag rith go han-réidh, agus tá an éifeachtacht oibre i bhfad níos airde ná mar a bhí roimhe. Tá an giarbhosca déanta as ábhair soladach agus durable, agus tá sé éasca a shuiteáil agus a chothabháil. Réitigh sé na seanfhadhbanna a bhí againn ar an trealamh a bhí againn roimhe seo. Caithfidh mé an tseirbhís iar-díola go háirithe a mholadh. Tháinig muid ar roinnt ceisteanna beaga agus é á úsáid, agus rinne tú amach go tapa é. Tá sé an-iontaofa. Tá an taithí comhoibrithe seo fíor-mhaith. Tá do tháirgí molta agam do mo chomhghleacaithe, agus táim ag tnúth le comhar leanúnach sa todhchaí! ----- James Carter
Hey, is mise David Johnson, custaiméir de chuid Raydafon. Cheannaigh mé do Gharbhbhoscaí Meascthóir Beatha roimhe seo, agus is iontach an rud é a úsáid! Tar éis an giarbhosca seo a shuiteáil, ritheann ár meascthóir beatha i bhfad níos mín ná riamh, agus feabhsaíodh an éifeachtúlacht. Ba ghnách liom a bheith buartha faoin trealamh jamming, ach anois ní gá dom a bheith buartha faoi ar chor ar bith. Is é an rud is fiú a bhraitheann mé ná go bhfuil sé an-durable, mothaíonn an t-ábhar soladach, agus nach bhfuil sé trioblóideach é a chothabháil go laethúil. Just a dhéanamh níos doichte le cúpla scriúnna agus seiceáil an leibhéal ola, murab ionann agus an trealamh roimhe seo is gá a chaitheamh gach cúpla lá. An uair dheireanach a bhí roinnt ceisteanna beaga agam agus mé ag oibriú anseo, chuir mé ríomhphost chuig do sheirbhís iar-díola, agus fuair mé freagra an lá céanna. Tharraing an t-innealtóir léaráid scéimreach freisin chun múineadh dom conas é a choigeartú. Tá an tseirbhís seo iontach! Le bheith macánta, is minic a labhair mé faoi do tháirgí le mo chomhghleacaithe nuair a bhíonn dinnéar agam le chéile. Ba chóir go mbeadh rudaí maithe ar eolas ag níos mó daoine. Tá súil agam leanúint ar aghaidh ag comhoibriú leat sa todhchaí, agus ba mhaith liom go mbeidh do ghnó níos mó agus níos mó tóir!
Michael Brown is ainm dom. Bhí beagán leisce orm nuair a cheannaigh mé do Gharbhbhoscaí Meascthóir Beatha den chéad uair, tar éis an tsaoil, bhí táirgí eile meallta orm roimhe seo, ach tar éis é a úsáid ar feadh beagnach leathbhliana, tugaim lámh in uachtar air! Tá torann an ghiarbhosca seo i bhfad níos lú ná mar a bhí roimhe. Roimhe sin, bhí sé cosúil le toirneach nuair a cuireadh ar siúl é, ach anois ní gá dom scairt a dhéanamh agus mé ag caint sa cheardlann. Is é an rud is iontas ná an éifeachtúlacht. Ghlac sé 40 nóiméad chun baisc beathaithe a mheascadh, ach anois is féidir é a dhéanamh i 25 nóiméad, agus tá a luas méadaithe ag an crios iompair freisin. An tseachtain seo caite, flashed solas táscaire an ghiarbhosca faoi dhó. N'fheadar an raibh fadhb ann, agus mar sin ghlaoigh mé ar do sheirbhís iar-díola. Bhí an cailín a d'fhreagair an fón an-fhoighneach. Lig sí dom cúpla grianghraf a ghlacadh agus threoraigh sí mé chun an deannach a ghlanadh ón braiteoir ar an láthair. Níor thóg sé níos mó ná 10 nóiméad. Tá an giarbhosca déanta as ábhair soladach. Mothaíonn an bhlaosc seachtrach trom. An uair dheireanach, chuimil forklift é de thaisme, ag fágáil marc beag, ach níor cuireadh isteach ar na codanna taobh istigh. Lean mé ag caint faoi do tháirgí nuair a bhí mé ag ól leis an bhfeirmeoir béal dorais. Tá sé beartaithe aige ceann a ordú an mhí seo chugainn freisin! Táim ag tnúth le do chuid gabhálais nua a thriail sa todhchaí, agus ba mhaith liom tú a bheith níos láidre agus níos láidre!
Seoladh
Limistéar Tionscail Luotuo, Ceantar Zhenhai, Cathair Ningbo, an tSín
Teil
R-phost


+86-574-87168065


Limistéar Tionscail Luotuo, Ceantar Zhenhai, Cathair Ningbo, an tSín
Cóipcheart © Raydafon Technology Group Co., Limited Gach ceart ar cosaint.
Links | Sitemap | RSS | XML | Beartas Príobháideachta |
